E
EPC Data

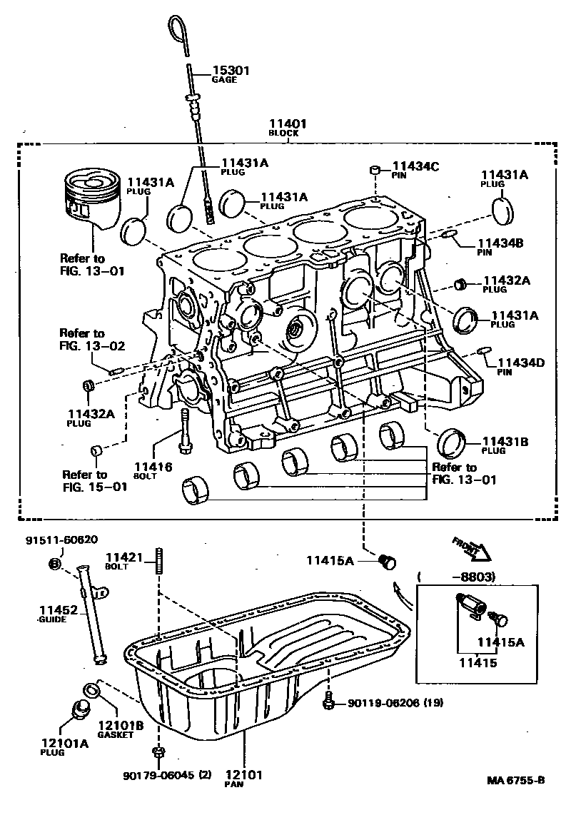
CYLINDER BLOCK

Parts diagram
11401BLOCK SUB-ASSY, CYLINDER
main11401-19195i198708-198908
main11401-19325i198708-198908
main11401-19435i198708-198908
main11401-79197i198708-198908
main11401-79315i198710-198906
main11401-79316i198906-198908
11415COCK SUB-ASSY, WATER DRAIN(FOR CYLINDER BLOCK)
main90910-09088i198708-198906
main90910-09091i198708-198901
11415APLUG, WATER DRAIN COCK(FOR CYLINDER BLOCK)
main90345-52001i198901-198908
main90345-52013i198803-198908
main90910-09087i198708-198906
11416BOLT(FOR CRANKSHAFT BEARING CAP SET)
main90105-10007i198708-198908
main90105-10028i198708-198908
11421BOLT, STUD(FOR OIL PAN)
main90116-06014i198708-198908
main90116-06022i198708-198908
11431APLUG, TIGHT, NO.1(FOR CYLINDER BLOCK)
main96411-43500i198708-198908
11431BPLUG, TIGHT, NO.2(FOR CYLINDER BLOCK)
main96411-44000i198708-198908
11432APLUG, W/HEAD TAPER SCREW, NO.1
main90344-53008i198708-198908
main90345-51006i198708-198906
11434BPIN, STRAIGHT(FOR CLUTCH HOUSING SET)
main90250-10113i198708-198908
L=22,OD=10
11434CPIN, STRAIGHT (FOR CYLINDER HEAD SET)
main90253-13017i198708-198908
L=12,OD=13
11434DPIN, STRAIGHT(FOR ENGINE REAR OIL SEAL)
main90250-06003i198708-198908
L=14,OD=6
main90250-06015i198905-198908
L=11,OD=6
11452GUIDE, OIL LEVEL GAGE
main11452-15010i198708-198908
main11452-16030i198908-198908
main11452-88360i198708-198908
main11452-88380i198710-198908
12101PAN SUB-ASSY, OIL
main12101-15090i198708-198908
main12101-16060i198708-198905
main12101-16090i198905-198908
main12101-74033i198708-198908
main12101-74060i198908-198908
12101APLUG(FOR OIL PAN DRAIN)
main90341-12012i198708-198908
main90341-12026i198812-198908
main90341-18089i198708-198709
12101BGASKET(FOR OIL PAN DRAIN PLUG)
main90430-12019i198708-198908
main90430-18244i198708-198709
1301
1302
1501
15301GAGE SUB-ASSY, OIL LEVEL
main15301-15030i198708-198908
main15301-16040i198708-198711
main15301-16041i198711-198905
main15301-16060i198908-198908
main15301-88362i198708-198908
main15301-88380i198710-198908
9011906206
9017906045
9151160620

22 parts on this diagram · 4 diagrams in section

CYLINDER BLOCK — Toyota Parts Diagram with OEM Numbers & Prices | EPC Data