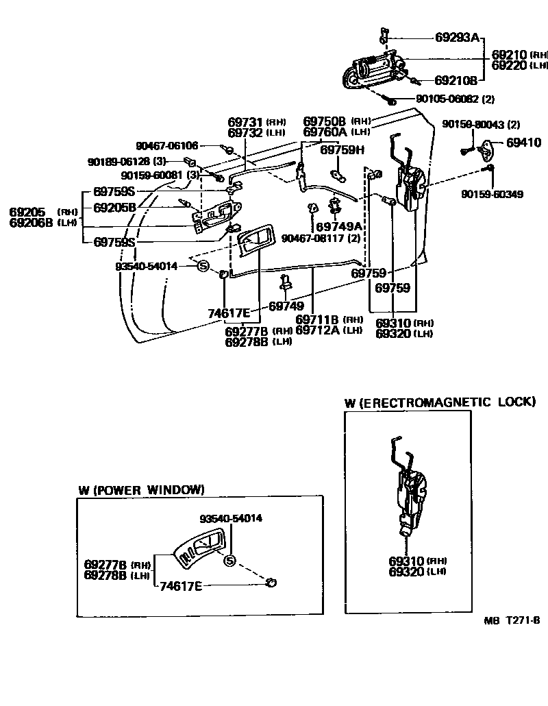
FRONT DOOR LOCK & HANDLE

69205HANDLE SUB-ASSY, FRONT DOOR INSIDE, RH
69205BCUSHION(FOR FRONT DOOR INSIDE HANDLE)
69206BHANDLE SUB-ASSY, FRONT DOOR INSIDE, LH
69210HANDLE ASSY, FRONT DOOR, OUTSIDE RH
BLACK,202
SUPER RED 2,3E5
BLUISH SILVER M.,181
SUPER WHITE 2,040
RED MICA,3H4
BLUISH GRAY M.,182
LIGHT BLUE M.,8G6
BLUE MICA M.,8G7
DARK TURQUOISE MICA,742
WINE RED M,3J8
BEIGE M.M.,4J1
MEDIUM TURQUOISE M.,749
DARK BLUE M.M,8J1
69210BCUSHION(FOR FRONT DOOR OUTSIDE HANDLE)
69220HANDLE ASSY, FRONT DOOR OUTSIDE, LH
BLACK,202
SUPER RED 2,3E5
BLUISH SILVER M.,181
SUPER WHITE 2,040
RED MICA,3H4
BLUISH GRAY M.,182
LIGHT BLUE M.,8G6
BLUE MACA M.,8G7
DARK TURQUOISE MICA,742
WINE RED M,3J8
BEIGE M.M.,4J1
MEDIUM TURQUOISE M.,749
DARK BLUE M.M,8J1
69277BBEZEL, FRONT DOOR INSIDE HANDLE, RH
69278BBEZEL, FRONT DOOR INSIDE HANDLE, LH
69293ASNAP, FRONT DOOR OUTSIDE HANDLE
NATURAL
YELLOW
69310LOCK ASSY, FRONT DOOR, RH
W(POWER WINDOW)
69320LOCK ASSY, FRONT DOOR, LH
W(POWER WINDOW)
69410PLATE ASSY, FRONT DOOR LOCK STRIKER
69711BLINK, FRONT DOOR LOCK REMOTE CONTROL, RH
69712ALINK, FRONT DOOR LOCK REMOTE CONTROL, LH
69731LINK, FRONT DOOR INSIDE LOCKING, NO.1 RH
69732LINK, FRONT DOOR INSIDE LOCKING, NO.1 LH
69749CLAMP, FRONT DOOR LOCK LINK
69749ACLAMP, FRONT DOOR LOCK LINK, NO.1
69750BLINK ASSY, FRONT DOOR INSIDE LOCKING, RH
69759SNAP, DOOR LOCK CONTROL LINK, NO.1
W(POWER WINDOW),BROWN
YELLOW
W(POWER WINDOW),YELLOW
BROWN
69759HSNAP, DOOR LOCK CONTROL LINK, NO.2
RED
PINK
YELLOW
BROWN
NATURAL
69759SSNAP, FRONT DOOR INSIDE HANDLE
PINK
YELLOW
69760ALINK ASSY, FRONT DOOR INSIDE LOCKING, LH
74617EPLAG, DOOR INSIDE HANDLE BEZEL
9010506082
main90105-06082
9015960081
main90159-60081
9015960349
main90159-60349
9015980043
main90159-80043
9018906128
main90189-06128
9046706106
main90467-06106
9046708117
main90467-08117
9354054014
main93540-54014
32 parts on this diagram · 1 diagram in section