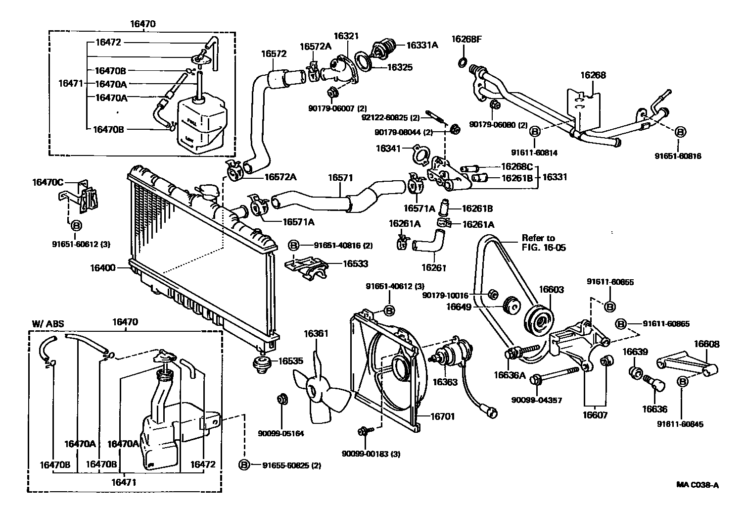
RADIATOR & WATER OUTLET

1605
16261HOSE, WATER BY-PASS
16261ACLAMP OR CLIP, HOSE(FOR WATER BY-PASS HOSE)
sub90467-21010
16261BUNION(FOR WATER BY-PASS HOSE)
sub90406-17012
16268PIPE, WATER BY-PASS, NO.1
16268CUNION, WATER BY-PASS PIPE
16268FRING, O(FOR WATER BY-PASS PIPE)
16321INLET, WATER
16325GASKET, WATER INLET HOUSING, NO.1
sub16325-63011
16331ATHERMOSTAT
*WAX 82-95
16363MOTOR, COOLING FAN
16470AHOSE OR PIPE(FOR RADIATOR RESERVE TANK)
L=600
16470CBRACKET(FOR RADIATOR RESERVE TANK)
16472HOSE, BREATHER
W(ANTI-LOCK BRAKE SYSTEM)
16533SUPPORT, RADIATOR, UPPER
16571ACLAMP OR CLIP, HOSE(FOR RADIATOR INLET)
sub90467-34003
16572HOSE, RADIATOR, OUTLET
16572ACLAMP OR CLIP, HOSE(FOR RADIATOR OUTLET NO.1)
sub90467-34003
16603PULLEY SUB-ASSY, IDLER, NO.1
16607BRACKET SUB-ASSY, IDLER PULLEY, NO.1
sub16631-74030
16608BRACKET SUB-ASSY, IDLER PULLEY, NO.2
sub90560-08060
16636SHAFT, IDLER PULLY, NO.1
16636ABOLT(FOR IDLER PULLY TENSION)
sub90109-08191
16639SPACER, IDLER PULLEY
sub16639-88361
16649PLATE, IDLER PULLEY COVER
16701SHROUD SUB-ASSY, FAN
9009900183
main90099-00183
9009904357
main90099-04357
9009905164
main90099-05164
9017906007
main90179-06007
9017906080
main90179-06080
9017908044
main90179-08044
9017910016
main90179-10016
9161160814
main91611-60814
9161160845
main91611-60845
9161160855
main91611-60855
9161160865
main91611-60865
9165140612
main91651-40612
9165140816
main91651-40816
9165160612
main91651-60612
9165160816
main91651-60816
9165560825
main91655-60825
9212260825
main92122-60825
52 parts on this diagram · 4 diagrams in section