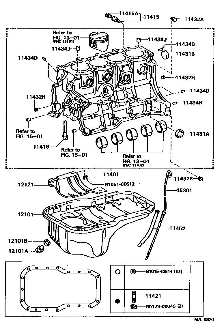
CYLINDER BLOCK

11415APLUG, WATER DRAIN COCK(FOR CYLINDER BLOCK)
11416BOLT(FOR CRANKSHAFT BEARING CAP SET)
11421BOLT, STUD(FOR OIL PAN)
11431APLUG, TIGHT, NO.1(FOR CYLINDER BLOCK)
11431BPLUG, TIGHT, NO.2(FOR CYLINDER BLOCK)
11432APLUG, W/HEAD TAPER SCREW, NO.1
11432BPLUG, W/HEAD TAPER SCREW, NO.2
11432HPLUG, W/HEAD TAPER SCREW, NO.5
11434BPIN, STRAIGHT(FOR CLUTCH HOUSING SET)
L=22,OD=10
11434DPIN, STRAIGHT(FOR ENGINE REAR OIL SEAL)
L=14,OD=6
L=11,OD=6
11434JPIN, RING (FOR CYLINDER HEAD SET)
12121PLATE, OIL PAN BAFFLE, NO.1
1301
1501
15301GAGE SUB-ASSY, OIL LEVEL
9017906045
main90179-06045
9161540614
main91615-40614
9165160612
main91651-60612
24 parts on this diagram · 2 diagrams in section