E
EPC Data

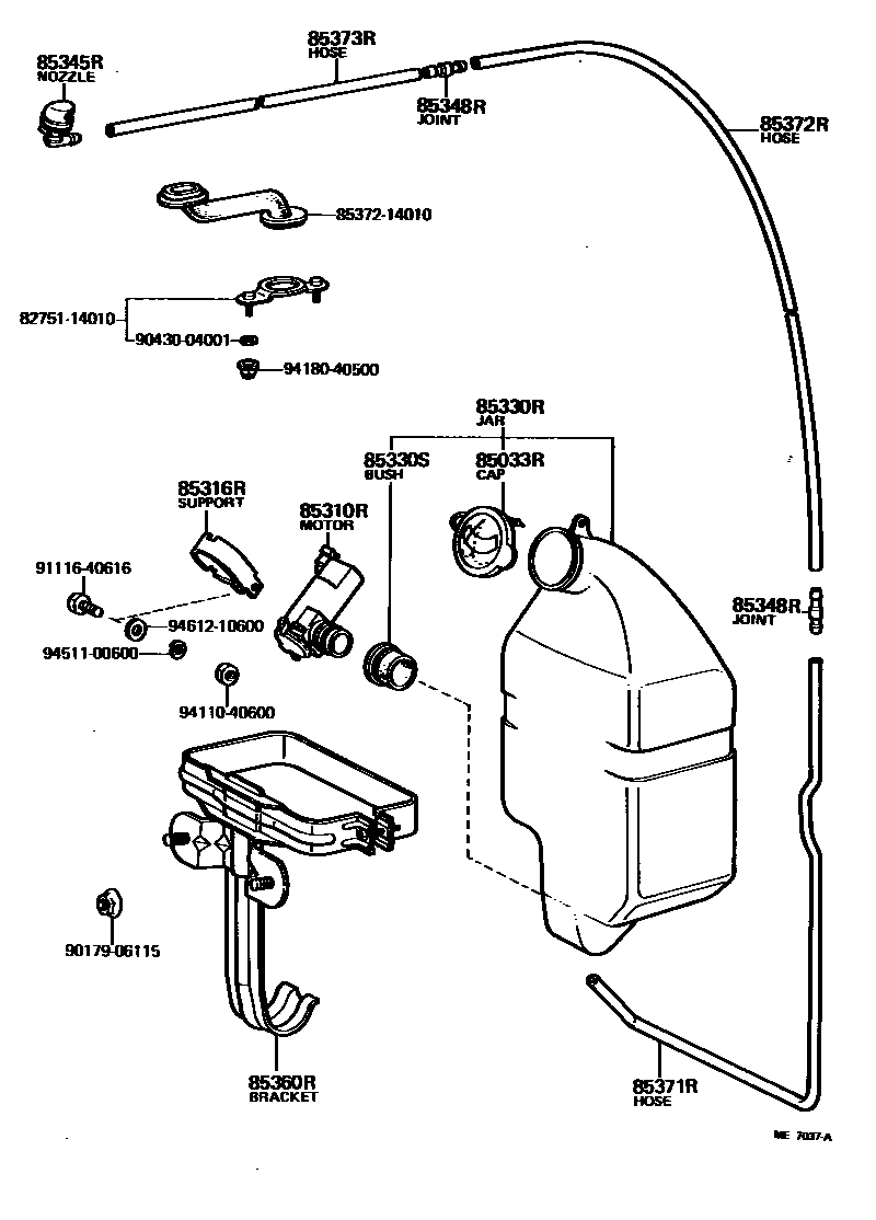
REAR WASHER

Parts diagram
85033RCAP ASSY, REAR WASHER
main85033-36120i197708-198107
85310RMOTOR ASSY, REAR WASHER
main85310-20100i197708-198107
85316RSUPPORT, REAR WASHER MOTOR
main85316-23010i197708-198107
85330RJAR ASSY, REAR WASHER
main85330-23011i197708-198107
85330SBUSH, REAR WASHER JAR
main90099-32089i197708-198107
85345RNOZZLE, REAR WASHER
main85035-14060i197708-198107
85348RJOINT, REAR WASHER HOSE, NO.1
main85355-87201×2i197708-198107
2 WAY TYPE
85360RBRACKET ASSY, REAR WASHER
main85360-14020i197708-198107
85371RHOSE, REAR WASHER (FROM MOTOR TO JOINT)
main90446-06236i197708-198107
L=1000(*H,L=450)
85372RHOSE, REAR WASHER (FROM JOINT TO JOINT OR NOZZLE)
main90446-06055i197708-198107
L=1300
85373RHOSE, REAR WASHER (FROM JOINT TO NOZZLE)
main90099-33298i197708-198107
L=1800(*H,L=320)
8275114010BLOCK, DRIVER SIDE RELAY
8537214010HOSE, WINDSHIELD WASHER (FROM JOINT TO JOINT), NO.1
9017906115
9043004001
9111640616
9411040600
9418040500
9451100600
9461210600

20 parts on this diagram · 1 diagram in section

REAR WASHER — Toyota Parts Diagram with OEM Numbers & Prices | EPC Data