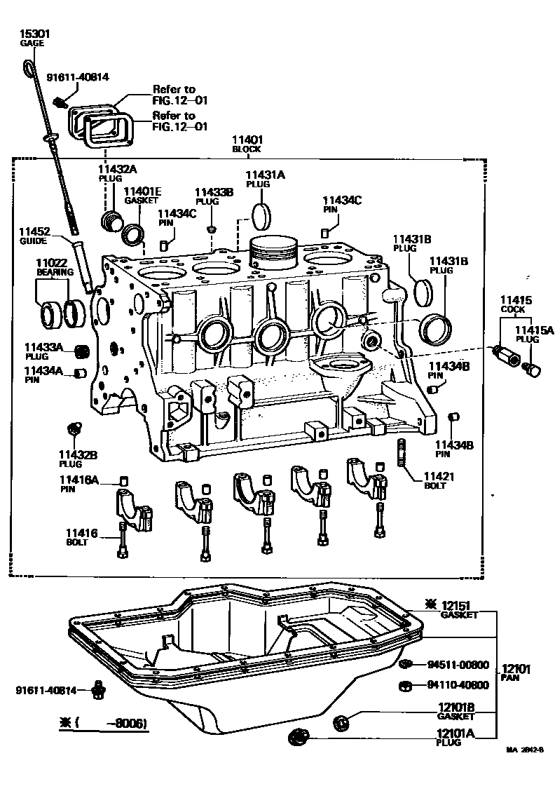
CYLINDER BLOCK

11401BLOCK SUB-ASSY, CYLINDER
sub11401-29445
sub11401-29455
sub11401-29207
sub11401-29208
sub11401-29217
sub11401-29218
sub11401-29415
sub11401-39149
sub11401-39285
sub11401-39286
sub11401-39287
11401EGASKET(FOR CYLINDER BLOCK PLUG)
11415APLUG, WATER DRAIN COCK(FOR CYLINDER BLOCK)
11416BOLT(FOR CRANKSHAFT BEARING CAP SET)
11416APIN, RING(FOR CRANKSHAFT BEARING CAP SET)
11421BOLT, STUD(FOR OIL PAN)
L=29,S=13&13
11431APLUG, TIGHT, NO.1(FOR CYLINDER BLOCK)
OD=50
11431BPLUG, TIGHT, NO.2(FOR CYLINDER BLOCK)
OD=45.75
OD=45.50
OD=46.00
OD=40
11432APLUG, W/HEAD TAPER SCREW, NO.1
11433APLUG, STRAIGHT, NO.1
11433BPLUG, STRAIGHT, NO.2
L=4,OD=9
11434APIN, STRAIGHT(FOR TIMING GEAR COVER SET)
L=18,OD=8,L=18,OD=8
L=11,OD=11,L=11,OD=11
11434BPIN, STRAIGHT(FOR CLUTCH HOUSING SET)
L=18,OD=8,L=18,OD=8
L=22,OD=10,L=22,OD=10
L=16,OD=17
11434CPIN, STRAIGHT (FOR CYLINDER HEAD SET)
L=18,OD=8,L=18,OD=8
11452GUIDE, OIL LEVEL GAGE
1201
12101APLUG(FOR OIL PAN DRAIN)
sub90033-41020
12101BGASKET(FOR OIL PAN DRAIN PLUG)
sub90430-18023
9161140814
main91611-40814
9411040800
main94110-40800
9451100800
main94511-00800
27 parts on this diagram · 4 diagrams in section