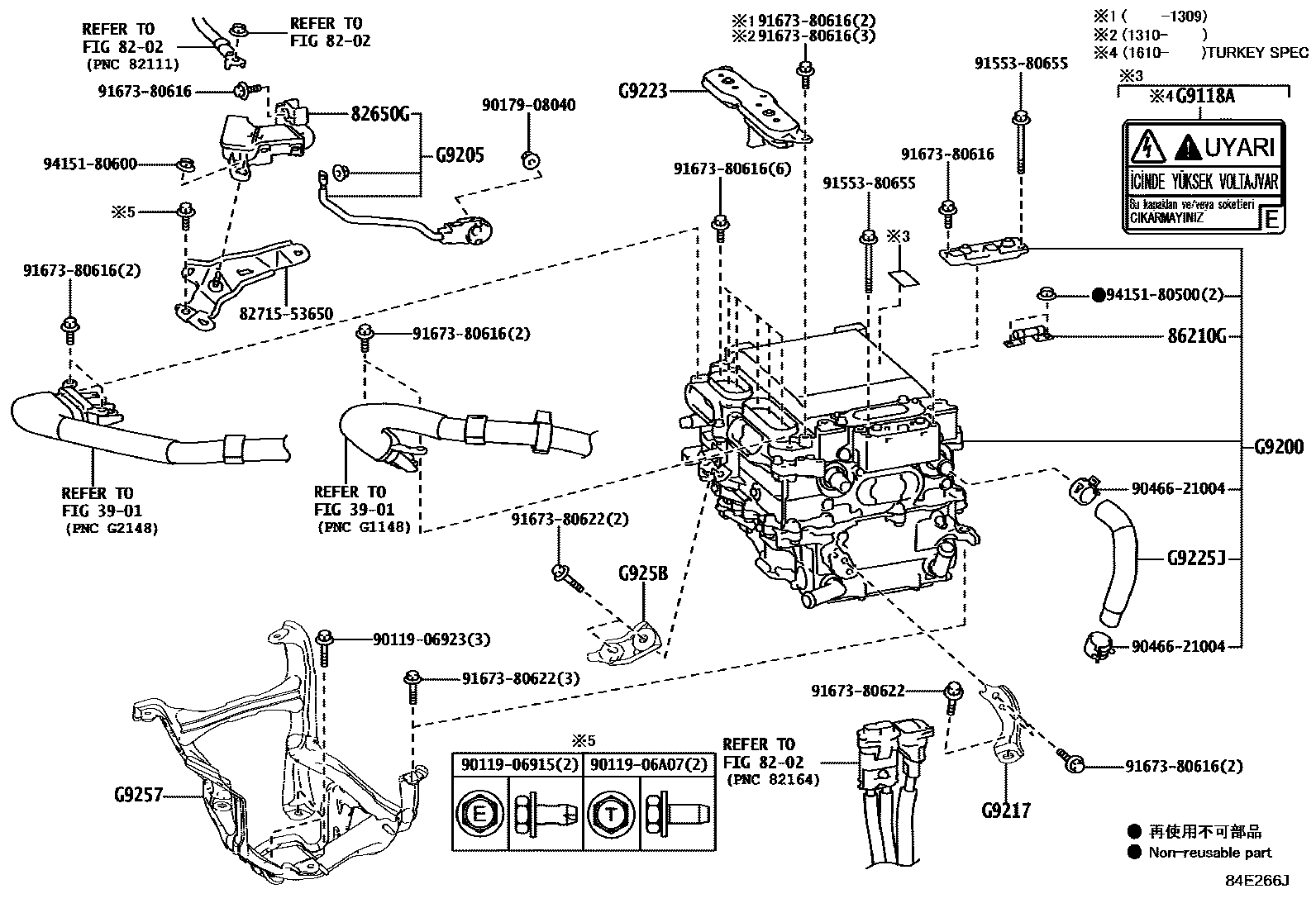
HEV INVERTER

3901
8202
82650GBLOCK ASSY, TERMINAL
86210GFUSE, HIGH VOLTAGE
G9118ALABEL, HV MOTOR CONTROL INVERTER CAUTION
TURKEY SPEC
G9200INVERTER ASSY, W/CONVERTER
G9205PLATE SUB-ASSY, INVERTER BUS-BAR
G9223COVER, INVERTER TERMINAL
G9225JHOSE, INVERTER COOLING, NO.1
G9257BRACKET, INVERTER, NO.5
8271553650BRACKET,WIRING HARNESS CLAMP
main82715-53650
9011906915
main90119-06915
9011906923
main90119-06923
9011906A07
main90119-06A07
9017908040
main90179-08040
9046621004
main90466-21004
9155380655
main91553-80655
9167380616
main91673-80616
9167380622
main91673-80622
9415180500
main94151-80500
9415180600
main94151-80600
23 parts on this diagram · 2 diagrams in section