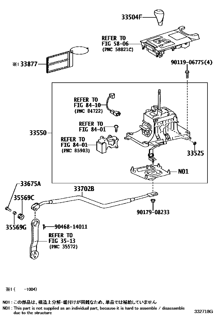
SHIFT LEVER & RETAINER

33504FKNOB SUB-ASSY, SHIFT LEVER
BLACK,TRIM0#,1#,2#
33525SUPPORT, SHIFT LEVER
33550FLOOR SHIFT ASSY, TRANSMISSION
33675APIN, W/HOLE (FOR TRANSMISSION CONTROL ROD)
33702BROD SUB-ASSY, GEAR SHIFTING, NO.1 (FOR FLOOR SHIFT)
33877LABEL, SHIFT LOCK INFORMATION, NO.1
3513
35569CGROMMET (FOR TRANSMISSION CONTROL ROD)
35569GBUSH (FOR TRANSMISSION CONTROL ROD)
5806
8401
8410
9011906775
main90119-06775
9017908233
main90179-08233
9046814011
main90468-14011
15 parts on this diagram · 2 diagrams in section