E
EPC Data

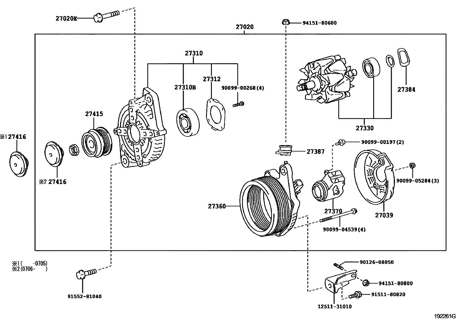
ALTERNATOR

Parts diagram
27020ALTERNATOR ASSY
main27060-26030i200511-201208
12V 130A
main27060-31050i200508-200705
12V 150A
main27060-31051i200706-200810
12V 150A
main27060-31052i200811-201008
12V 150A
27020EBOLT(FOR ALTERNATOR)
main91552-81070i200508-201008
27039COVER, ALTERNATOR REAR END
main27039-26170i200511-200708
main27039-27060i200508-200906
main27039-27090i200709-201208
main27039-31390i200906-201008
27310FRAME ASSY, DRIVE END, ALTERNATOR
main27310-27090i200511-201208
main27310-31220i200508-201008
27310BBEARING(FOR ALTERNATOR DRIVE END FRAME)
main90099-10142i200508-200612
main90099-10223i200612-201008
27312PLATE, RETAINER
main27312-72100i200508-201008
27330ROTOR ASSY, ALTERNATOR
main27330-33090i200511-201208
main27330-58460i200508-201008
27360COIL ASSY, ALTERNATOR
main27360-26170i200511-201208
main27360-31240i200508-201008
27370HOLDER ASSY, ALTERNATOR BRUSH
main27370-31220i200508-201008
main27370-58460i200511-201208
27384WASHER
main27384-50030i200508-201008
27387INSULATOR, TERMINAL
main27387-20130i200508-201008
27415PULLEY, ALTERNATOR W/CLUTCH
main27415-0W010i200508-200810
main27415-0W130i200811-201304
main27415-26010i200511-201208
27416CAP, ALTERNATOR PULLEY
main27416-0W010i200508-200810
main27416-0W050i200811-201304
main27416-27010i200511-201208
1251131010BRACKET, ALTERNATOR, NO.1
9009900197
9009900268
9009904539
9009905284
9012608050
9151180820
9155281040
9415180600
9415180800

23 parts on this diagram · 2 diagrams in section

ALTERNATOR — Toyota Parts Diagram with OEM Numbers & Prices | EPC Data