E
EPC Data

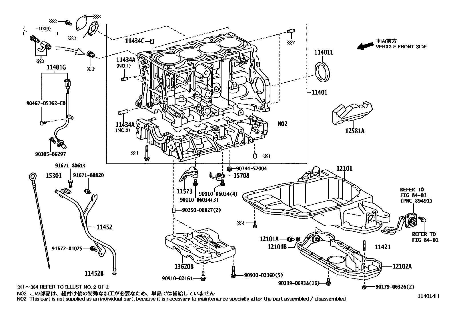
CYLINDER BLOCK

Parts diagram
11401BLOCK SUB-ASSY, CYLINDER
main11401-39775i201008-201304
main11401-80758i200508-201211
main11401-80810i201211-201304
main11410-29355i200511-200801
main11410-29395i200801-200808
main11410-29415i200808-201008
11401GSENSOR, CRANK POSITION
main90919-05057i200508-201008
main90919-05069i200511-201208
11401LSEAL, ENGINE REAR OIL
main90311-90009i200808-201208
(J)
main90311-90009i200807-200808
main90311-W0006i200511-200807
main90311-W0010i200808-201208
(L)
11421BOLT, STUD(FOR OIL PAN)
main90116-06134i200511-201208
main90126-08051i200508-201005
main90126-08052i201005-201008
11434APIN, STRAIGHT(FOR TIMING GEAR COVER SET)
main90250-04097i200508-201008
L=12,OD=4.0
main90250-08120i200511-201208
L=18,OD=8,NO.1
main90250-10030i200511-201208
L=36,OD=10,NO.2
11434CPIN, STRAIGHT (FOR CYLINDER HEAD SET)
main90250-08074i200511-201208
L=15,OD=8
main90250-08120i200508-201008
L=18,OD=8
11452GUIDE, OIL LEVEL GAGE
main11452-26040i200511-201208
main11452-31040i200508-201008
11452BRING, O(FOR OIL LEVEL GAGE GUIDE)
main90301-12018i200508-201008
main96721-19010i200909-201208
main96741-19010i200511-200909
11573PLATE, OIL REFLECTOR
main11573-26010i200511-201208
12101PAN SUB-ASSY, OIL
main12101-31101i200508-201008
main12111-26030i200511-200602
main12111-26031i200602-201208
12101APLUG(FOR OIL PAN DRAIN)
main90341-12012i200508-201208
12101BGASKET(FOR OIL PAN DRAIN PLUG)
main90430-12031i200508-201208
12102APAN SUB-ASSY, OIL, NO.2
main12102-26010i200511-201208
main12102-31030i200508-201008
12581AINSULATOR, CYLINDER BLOCK, NO.1
main12581-26010i200511-201208
13620BBALANCER ASSY, ENGINE
main13620-26020i200511-200805
main13620-26021i200805-200901
main13620-26022i200901-201208
15301GAGE SUB-ASSY, OIL LEVEL
main15301-26040i200511-201208
main15301-31080i200508-201008
15708NOZZLE SUB-ASSY, OIL, NO.1
main15708-0R010i200511-201103
main15708-0R011i201103-201208
main15708-31010i200508-201008
main15708-31030i201008
8401
9010506297
9011006034
9011906938
9017906326
9025006027
9034452004
9046705162C0
9091002160
9091002161
9167180614
9167180820
9167281025

30 parts on this diagram · 3 diagrams in section

CYLINDER BLOCK — Toyota Parts Diagram with OEM Numbers & Prices | EPC Data