E
EPC Data

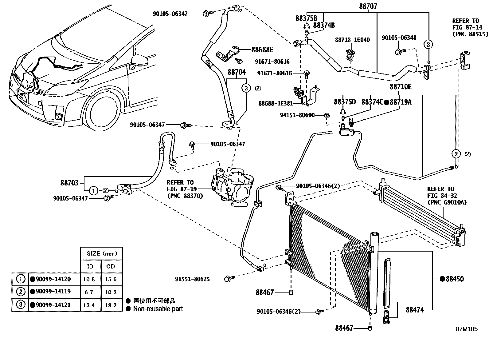
HEATING & AIR CONDITIONING - COOLER PIPING

Parts diagram
8432INVERTER COOLING
8714HEATING & AIR CONDITIONING - COOLER UNIT
8719HEATING & AIR CONDITIONING - COMPRESSOR
88374BVALVE, SERVICE, NO.1
main88374-30010i201205
88374CVALVE, SERVICE, NO.2
main88374-30010i201205
88375BCAP, SERVICE VALVE, NO.1
main88375-30290i201205
88375DCAP, SERVICE VALVE, NO.2
main88375-30280i201205
88450CONDENSER ASSY, W/RECEIVER
main88460-47150i201205-201604
88467CUSHION, COOLER CONDENSER, NO.1
main16716-28010i201205-201604
88474DRYER, COOLER
main88474-47030i201205
88688EBRACKET, COOLER REFRIGERANT HOSE, NO.1
main88688-47150i201205
88703HOSE SUB-ASSY, DISCHARGE
main88703-47040i201205
88704HOSE SUB-ASSY, SUCTION
main88704-47090i201205
88707PIPE SUB-ASSY, SUCTION
main88707-47041i201205
88710ETUBE & ACCESSORY ASSY, AIR CONDITIONER
main88710-47150i201205
88719ASENSOR, AIR CONDITIONER PRESSURE
main88719-33020i201205
886881E381BRACKET, COOLER DIAPHRAGM
887181E040PIPE, COOLER REFRIGERANT SUCTION, NO.2
9009914119
9009914120
9009914121
9010506346
9010506347
9010506348
9155180625
9167180616
9415180600

27 parts on this diagram · 1 diagram in section

HEATING & AIR CONDITIONING - COOLER PIPING — Toyota Parts Diagram with OEM Numbers & Prices | EPC Data