E
EPC Data
Pricing
API Docs
Sign In
Home
›
EU
›
222540
›
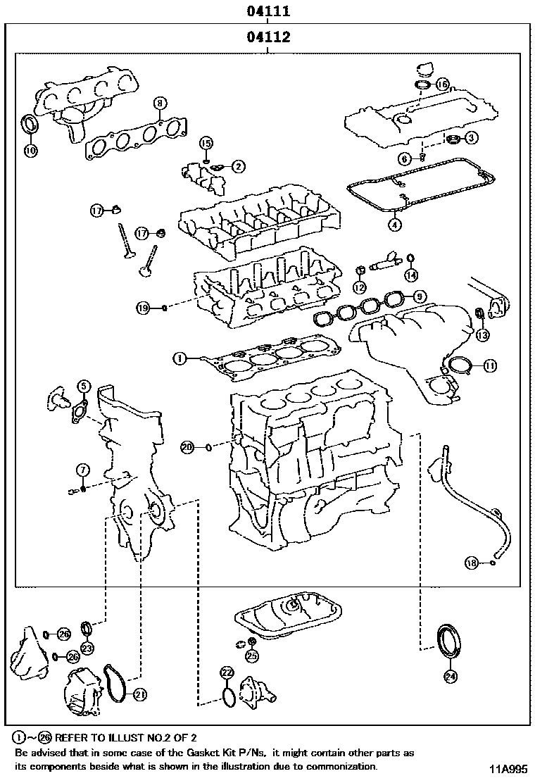
ENGINE OVERHAUL GASKET KIT
ENGINE OVERHAUL GASKET KIT
0001 1
0002 1
04111
GASKET KIT, ENGINE OVERHAUL
main
04111-37500
i
2ZRFXE..ZVW50
201511-201803
sub
04111-37501
main
04111-37501
i
2ZRFXE..ZVW50
201804-202109
sub
04111-37502
main
04111-37502
i
2ZRFXE..ZVW5#
202110
04112
GASKET KIT, ENGINE VALVE GRIND
main
04112-37380
i
2ZRFXE..ZVW50
201511-201803
sub
04112-37381
main
04112-37381
i
2ZRFXE..ZVW50
201804-202109
sub
04112-37382
main
04112-37382
i
2ZRFXE..ZVW5#
202110
2 parts on this diagram · 2 diagrams in section
ENGINE OVERHAUL GASKET KIT — Toyota Parts Diagram with OEM Numbers & Prices | EPC Data