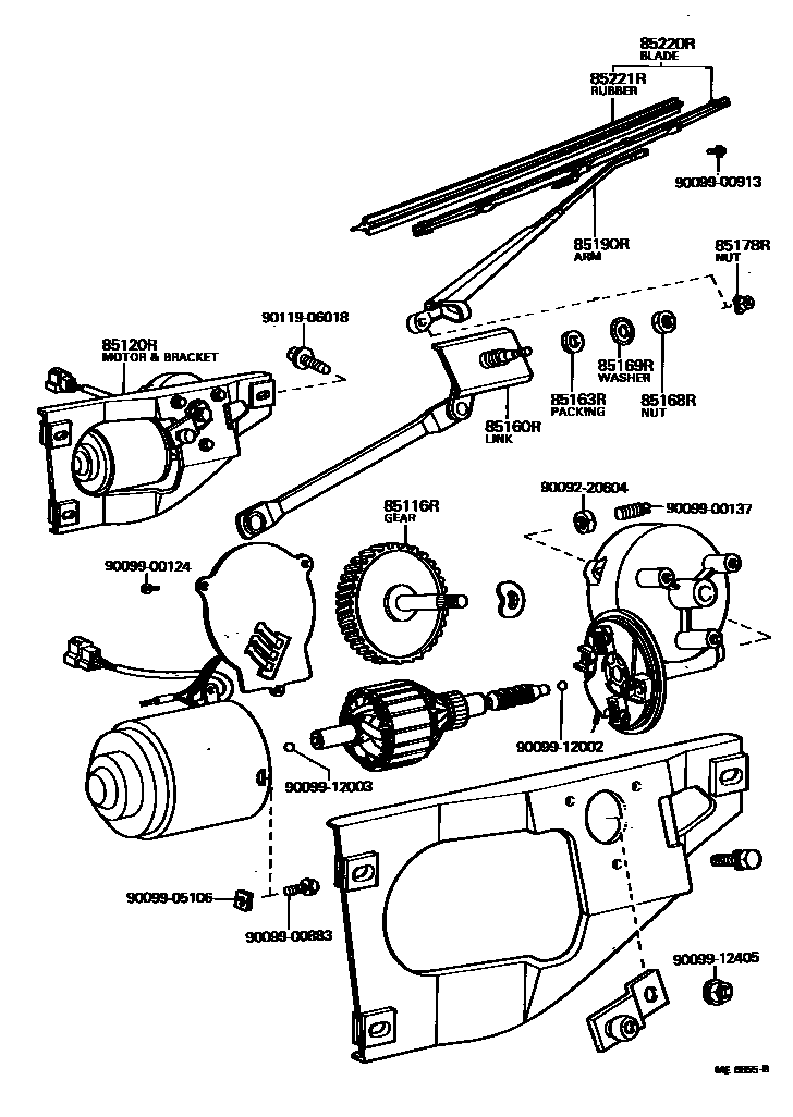
REAR WIPER

85116RGEAR, REAR WIPER MOTOR
85120RMOTOR AND BRACKET ASSY, REAR WIPER
85160RLINK ASSY, REAR WIPER
85163RPACKING, REAR WIPER PIVOT, NO.1
85168RNUT, REAR WIPER LINK PIVOT, NO.1
sub90099-05132
85169RWASHER, REAR WIPER LINK PIVOT, NO.1
85178RNUT (FOR REAR WIPER ARM SETTING)
85190RARM ASSY, REAR WIPER
85220RBLADE ASSY, REAR WIPER
sub85220-22041
85221RBLADE, REAR WIPER
sub85221-14H90
9009220604
main90092-20604
9009900124
main90099-00124
9009900137
main90099-00137
9009900883
main90099-00883
9009900913
main90099-00913
9009905106
main90099-05106
9009912002
main90099-12002
9009912003
main90099-12003
9009912405
main90099-12405
9011906018
main90119-06018
20 parts on this diagram · 1 diagram in section