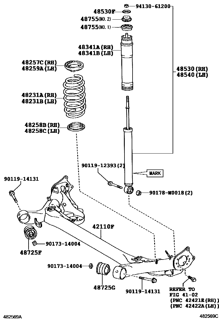
REAR SPRING & SHOCK ABSORBER

4102
42110FBEAM ASSY, REAR AXLE
main42101-02260iADE150..LHD..5D..DCRL;NDE150..5D..6F..TERRA;NRE150,ZRE15#..5D..(6F,6FS);NDE150..5D..(6F,6FS)..(E,SOL)200702-201001
*153
*154
48231ASPRING, COIL, REAR RH
SPORT PACKAGE&ROUGH ROAD AREA SPEC
48231BSPRING, COIL, REAR LH
SPORT PACKAGE&ROUGH ROAD AREA SPEC
48257CINSULATOR, REAR COIL SPRING, UPPER RH
main48257-0D010iADE150..LHD..5D..DCRL;NDE150..5D..6F..TERRA;NDE150..5D..(6F,6FS)..(E,SOL);ADE157,NRE150,ZRE15#..5D..(6F,6FS)200702-201001
48258BINSULATOR, REAR COIL SPRING, LOWER RH
main48258-0D050iADE150..LHD;NDE150..E,SOL;ZRE152..LHD..SOL;NDE150..6F..TERRA;NRE150,ZRE151,ZWE150200702-201001
48258CINSULATOR, REAR COIL SPRING, LOWER LH
48259AINSULATOR, REAR COIL SPRING, UPPER LH
48341ABUMPER, REAR SPRING, NO.1 RH
48341BBUMPER, REAR SPRING, NO.1 LH
main48341-02080iZRE151..4FC;ADE150..RHD..DCRL;ADE150..LHD..3D..DCRL;NDE150..5D..6FS..TERRA;ADE157,NDE150,NRE150,ZRE15#..3D..(6F,6FS)200702-201001
48530ABSORBER ASSY, SHOCK, REAR RH
MARK 48530-02491,ROUGH ROAD AREA SPEC(FOR IRELAND)
sub48530-09R01
MARK 48530-02492,ROUGH ROAD AREA SPEC(FOR IRELAND)
MARK 48530-02492
MARK 48530-02511
MARK 48530-02512
MARK 48530-02831
MARK 48530-02891
MARK 48530-02A00,SPORT PACKAGE&ROUGH ROAD AREA SPEC
sub48530-09T51
MARK 48530-02A01
MARK 48530-02A01,SPORT PACKAGE&ROUGH ROAD AREA SPEC
48530FRETAINER, SHOCK ABSORBER CUSHION(FOR REAR)
48540ABSORBER ASSY, SHOCK, REAR LH
MARK 48530-02491,ROUGH ROAD AREA SPEC(FOR IRELAND)
sub48530-09R01
MARK 48530-02492,ROUGH ROAD AREA SPEC(FOR IRELAND)
MARK 48530-02492
MARK 48530-02511
MARK 48530-02512
MARK 48530-02831
MARK 48530-02891
MARK 48530-02A00
sub48530-09T51
MARK 48530-02A00,SPORT PACKAGE&ROUGH ROAD AREA SPEC
sub48530-09T51
MARK 48530-02A01
MARK 48530-02A01,SPORT PACKAGE&ROUGH ROAD AREA SPEC
48725FBUSH, REAR AXLE CARRIER, RH
48725GBUSH, REAR AXLE CARRIER, LH
main48725-02200iZRE151..4FC;ADE150..RHD..DCRL;ADE150..LHD..3D..DCRL;NDE150..5D..6FS..TERRA;NDE150,NRE150,ZRE15#..3D..(6F,6FS)200702-201001
48755SUPPORT, REAR SUSPENSION
main48755-02080iZRE151..4FC;ADE150..RHD..DCRL;ADE150..LHD..3D..DCRL;NDE150..5D..6FS..TERRA;ADE157,NDE150,NRE150,ZRE15#..3D..(6F,6FS)200702-201001
NO.1
NO.2
9011912393
main90119-12393
9011914131
main90119-14131
9017314004
main90173-14004
90178W0018
main90178-W0018
9413061200
main94130-61200
21 parts on this diagram · 2 diagrams in section