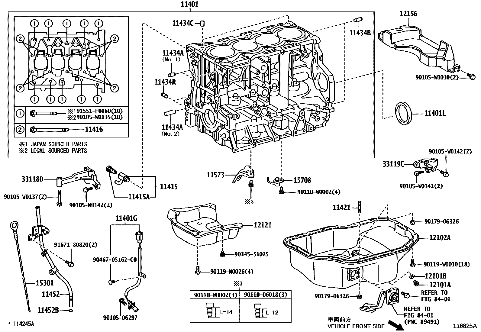
CYLINDER BLOCK

11401BLOCK SUB-ASSY, CYLINDER
(L)
(L)
(L)
(L)
(L)
sub11410-39155
sub11410-49016
sub11410-49017
sub11410-49018
11401GSENSOR, CRANK POSITION
main90919-05074i1NDTV..NDE150..RHD..DCRL;1NDTV..NDE150..LHD..(E,SOL)..DCRL;1NDTV..NDE150..LHD..6F..TERRA..DCRL200902-201210
11401LSEAL, ENGINE REAR OIL
(L)
sub90311-75019
sub90311-75020
(J)
sub90311-78005
sub90311-W0010
sub90311-W0020
(L)
11415APLUG, WATER DRAIN COCK(FOR CYLINDER BLOCK)
11421BOLT, STUD(FOR OIL PAN)
11434APIN, STRAIGHT(FOR TIMING GEAR COVER SET)
L=12,OD=4.0
L=18,OD=8
L=18,OD=8,NO.1
L=36,OD=10,NO.2
11434BPIN, STRAIGHT(FOR CLUTCH HOUSING SET)
L=22,OD=10
11434CPIN, STRAIGHT (FOR CYLINDER HEAD SET)
L=12,OD=4.0
L=15,OD=8
L=18,OD=8
11434RPIN, STRAIGHT(FOR DRIVE SHAFT BEARING BRACKET)
11452BRING, O(FOR OIL LEVEL GAGE GUIDE)
11573PLATE, OIL REFLECTOR
12101PAN SUB-ASSY, OIL
(J)
12101APLUG(FOR OIL PAN DRAIN)
12101BGASKET(FOR OIL PAN DRAIN PLUG)
(L)
(J)
12121PLATE, OIL PAN BAFFLE, NO.1
12156INSULATOR, OIL PAN
15708NOZZLE SUB-ASSY, OIL, NO.1
sub15708-0R011
sub15708-37011
sub15708-37012
sub15708-47030
sub15708-47031
sub15708-47030
33118DPLATE, STIFFENER, RH
8401
9010506297
main90105-06297
90105W0010
main90105-W0010
90105W0135
main90105-W0135
90105W0137
main90105-W0137
90105W0142
main90105-W0142
9011006018
main90110-06018
90110W0002
main90110-W0002
90119W0010
main90119-W0010
90119W0026
main90119-W0026
9017906326
main90179-06326
9034551025
main90345-51025
9046705162C0
main90467-05162C0
91551F0860
main91551-F0860
9167180820
main91671-80820
39 parts on this diagram · 15 diagrams in section