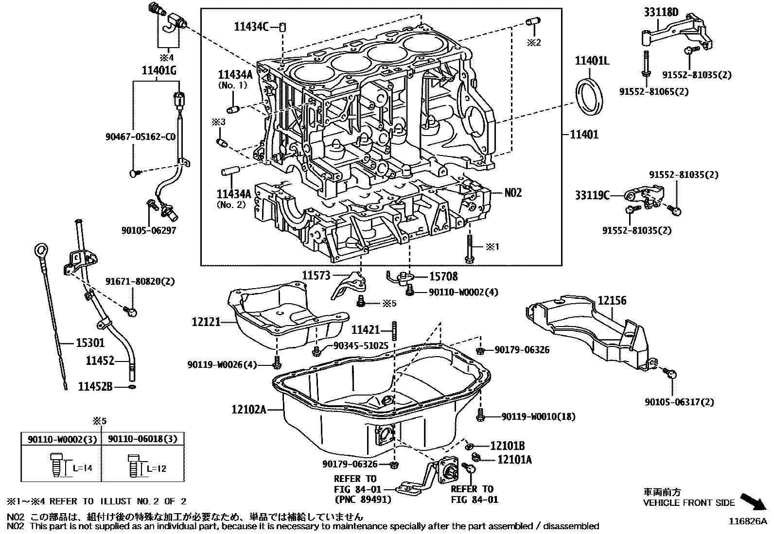
CYLINDER BLOCK

11401GSENSOR, CRANK POSITION
*251
*132
*251
*132
11401LSEAL, ENGINE REAR OIL
(L)
sub90311-75019
sub90311-75020
*251
*132
(J)
sub90311-78005
sub90311-W0010
sub90311-W0020
(L)
11421BOLT, STUD(FOR OIL PAN)
11434APIN, STRAIGHT(FOR TIMING GEAR COVER SET)
L=12,OD=4.0
L=18,OD=8,NO.1
L=18,OD=8
L=18,OD=8,*132
L=18,OD=8,*251
L=36,OD=10,NO.2
11434CPIN, STRAIGHT (FOR CYLINDER HEAD SET)
L=12,OD=4.0
L=15,OD=8
L=18,OD=8
L=18,OD=8,*132
L=18,OD=8,*251
11452BRING, O(FOR OIL LEVEL GAGE GUIDE)
*132
*251
11573PLATE, OIL REFLECTOR
12101PAN SUB-ASSY, OIL
(J)
*251
*132
12101APLUG(FOR OIL PAN DRAIN)
*132
*251
12101BGASKET(FOR OIL PAN DRAIN PLUG)
(L)
(J)
*132
*251
12121PLATE, OIL PAN BAFFLE, NO.1
12156INSULATOR, OIL PAN
15708NOZZLE SUB-ASSY, OIL, NO.1
sub15708-0R011
*132
*251
sub15708-37011
sub15708-37012
sub15708-47031
sub15708-47030
33118DPLATE, STIFFENER, RH
8401
9010506297
main90105-06297
9010506317
main90105-06317
9011006018
main90110-06018
90110W0002
main90110-W0002
90119W0010
main90119-W0010
90119W0026
main90119-W0026
9017906326
main90179-06326
9034551025
main90345-51025
9046705162C0
main90467-05162C0
9155281035
main91552-81035
9155281065
main91552-81065
9167180820
main91671-80820
32 parts on this diagram · 12 diagrams in section