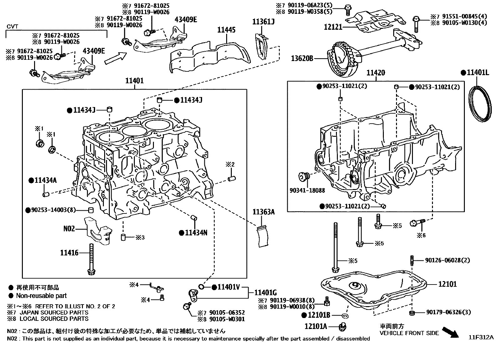
CYLINDER BLOCK

11361JCOVER, FLYWHEEL HOUSING UNDER
main11361-21011i1ZRFE..ZRE210..D..RUS;1ZRFAE,2ZRFE..ZRE21#..LHD..N;1ZRFE..ZRE210..CVT..(G,N)..(GEN,RUS);1ZRFE..ZRE210..LHD..CVT..D..(GCC,GEN)201901-202301
main11361-25010iM15AFKS..MZEA11..6F..G;M15AFKS..MZEA11..RHD..6F;M15AFKS..MZEA11..CVT..(D,G)..EUR202011-202301
11363ACOVER, FLYWHEEL HOUSING SIDE
main11363-33010i2ZRFXE..ZWE219;1ZRFE..ZRE210..D..RUS;1ZRFAE,2ZRFE..ZRE21#..LHD..N;1ZRFE..ZRE210..CVT..(G,N)..(GEN,RUS);1ZRFE..ZRE210..LHD..CVT..D..(GCC,GEN)201901-202301
11401BLOCK SUB-ASSY, CYLINDER
main11410-09446i1ZRFAE..ZRE210..N;1ZRFE..ZRE210..D..RUS;1ZRFE..ZRE210..CVT..(G,N)..(GEN,RUS);1ZRFE..ZRE210..LHD..CVT..D..(GCC,GEN)201901
(L)
(L)
(L)
(L)
(J)
sub11410-39295
sub16278-37021
sub16281-37071
sub16281-37190
sub16295-37021
sub25601-37050
sub25601-37060
main11410-39236i1ZRFAE..ZRE210..N;1ZRFE..ZRE210..D..RUS;1ZRFE..ZRE210..CVT..(G,N)..(GEN,RUS);1ZRFE..ZRE210..LHD..CVT..D..(GCC,GEN)202303
(J)
(J)
(J)
11401GSENSOR, CRANK POSITION
main90919-05070i2ZRFE..ZRE211..G;2ZRFE..ZRE211..RHD;2ZRFXE..ZWE211,213;1ZRFAE..ZRE210..LHD..D;1ZRFE..ZRE210..6F..N..RUS;1ZRFE..ZRE210..CVT..N..GCC;1ZRFE..ZRE210..RHD..CVT..D;1ZRFE.201901-202301
main90919-05094iM15AFKS..MZEA11..6F..G;M15AFKS..MZEA11..RHD..6F;M15AFKS..MZEA11..CVT..(D,G)..EUR202011-202301
11401LSEAL, ENGINE REAR OIL
(J)
(L)
main90311-W0022iM15AFKS..MZEA11..6F..G;M15AFKS..MZEA11..RHD..6F;M15AFKS..MZEA11..CVT..(D,G)..EUR202011-202301
11401VO-RING, CRANK POSITION SENSOR
main90301-14016i2ZRFE..ZRE211..G;2ZRFE..ZRE211..RHD;2ZRFXE..ZWE211,213;1ZRFAE..ZRE210..LHD..D;1ZRFE..ZRE210..6F..N..RUS;1ZRFE..ZRE210..CVT..N..GCC;1ZRFE..ZRE210..RHD..CVT..D;1ZRFE.201901-202301
11416BOLT(FOR CRANKSHAFT BEARING CAP SET)
main90910-02163i2ZRFXE..ZWE219;1ZRFE..ZRE210..D..RUS;1ZRFAE,2ZRFE..ZRE21#..LHD..N;1ZRFE..ZRE210..CVT..(G,N)..(GEN,RUS);1ZRFE..ZRE210..LHD..CVT..D..(GCC,GEN)201901
11420CRANKCASE ASSY, STIFFENING
(L)
(L)
(J)
11434APIN, STRAIGHT(FOR TIMING GEAR COVER SET)
main90250-04097i2ZRFE..ZRE211..G;2ZRFE..ZRE211..RHD;2ZRFXE..ZWE211,213;1ZRFAE..ZRE210..LHD..D;1ZRFE..ZRE210..6F..N..RUS;1ZRFE..ZRE210..CVT..N..GCC;1ZRFE..ZRE210..RHD..CVT..D;1ZRFE.201901-202301
L=12,OD=4.0
L=14,OD=6
11434JPIN, RING (FOR CYLINDER HEAD SET)
main90253-13001i1ZRFE..ZRE210..D..RUS;1ZRFAE,2ZRFE..ZRE21#..LHD..N;1ZRFE..ZRE210..CVT..(G,N)..(GEN,RUS);1ZRFE..ZRE210..LHD..CVT..D..(GCC,GEN)201901-202301
main90253-13017iM15AFKS..MZEA11..6F..G;M15AFKS..MZEA11..RHD..6F;M15AFKS..MZEA11..CVT..(D,G)..EUR202011-202301
11434NPIN, STRAIGHT(FOR WATER INLET HOUSING)
11445SPACER, CYLINDER BLOCK WATER JACKET
(J)
main11445-F3010iM15AFKS..MZEA11..6F..G;M15AFKS..MZEA11..RHD..6F;M15AFKS..MZEA11..CVT..(D,G)..EUR202104-202301
(L)
(L),MADE IN EUROPE
(L),MADE IN INDIA
12101PAN SUB-ASSY, OIL
12101APLUG(FOR OIL PAN DRAIN)
main90341-12012i1ZRFE..ZRE210..D..RUS;1ZRFAE,2ZRFE..ZRE21#..LHD..N;1ZRFE..ZRE210..CVT..(G,N)..(GEN,RUS);1ZRFE..ZRE210..LHD..CVT..D..(GCC,GEN)201901-202301
12101BGASKET(FOR OIL PAN DRAIN PLUG)
main90430-12031iM15AFKS..MZEA11..6F..G;M15AFKS..MZEA11..RHD..6F;M15AFKS..MZEA11..CVT..(D,G)..EUR201901-202301
12121PLATE, OIL PAN BAFFLE, NO.1
13620BBALANCER ASSY, ENGINE
43409EINSULATOR SUB-ASSY, DRIVE SHAFT HEAT
9010506352
main90105-06352
90105W0130
main90105-W0130
90105W0301
main90105-W0301
9011906938
main90119-06938
9011906A23
main90119-06A23
90119W0010
main90119-W0010
90119W0026
main90119-W0026
90119W0358
main90119-W0358
9012606028
main90126-06028
9017906326
main90179-06326
9025311021
main90253-11021
9025314003
main90253-14003
9034118088
main90341-18088
9155100845
main91551-00845
9167281025
main91672-81025
33 parts on this diagram · 5 diagrams in section