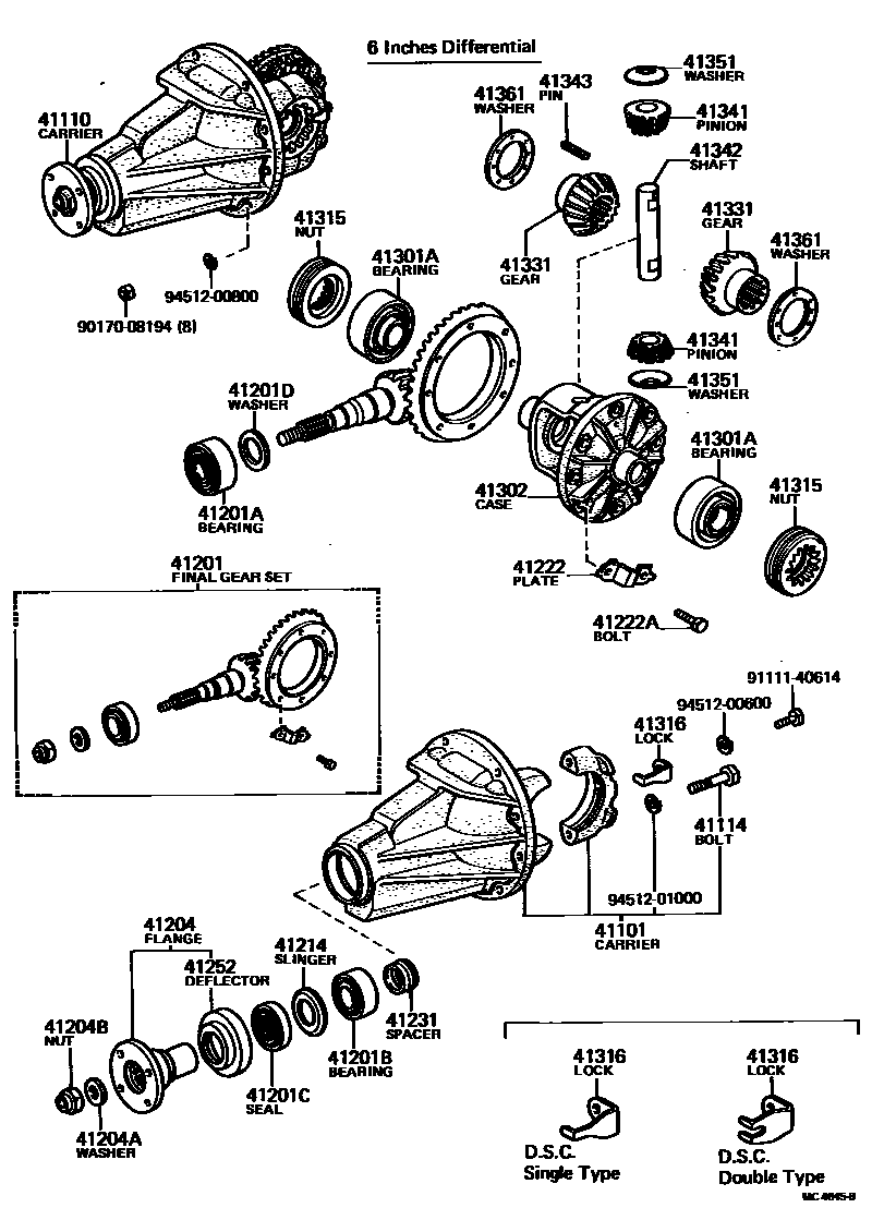
41101CARRIER SUB-ASSY, DIFFERENTIAL, REAR
main41101-12020iKE35,36,38,5#;KE30..DLX..SA;KE30..ARL,EUR,GEN197408-197902 main41101-12030iKE35,36,38,5#;KE30..EUR,GEN;KE30..DLX..SA197902-198107 41110CARRIER ASSY, DIFFERENTIAL, REAR
41114BOLT, REAR DIFFERENTIAL BEARING CAP
41201FINAL GEAR KIT, DIFFERENTIAL, REAR
main41201-19225iKE30,35,38,5#..K40..(ARL,EUR,GEN)197512-197902 N=41:10
41201ABEARING (FOR REAR DRIVE PINION REAR)
41201BBEARING (FOR REAR DRIVE PINION FRONT)
main90368-30002iTE3#,47,51..DLX,LT,SR,ST,STD197709-198107 41201CSEAL, OIL (FOR REAR DIFFERENTIAL CARRIER)
main90311-35131iKE35,36,38,5#;KE30..DLX..SA;KE30..ARL,EUR,GEN197408-198107 main90311-38014iTE3#,47,51..DLX,LT,SR,ST,STD197706-198107 41201DWASHER, PLATE (FOR REAR DIFFERENTIAL DRIVE PINION)
main90201-30235iKE35,36,38,5#;KE30..DLX..SA;KE30..ARL,EUR,GEN197408-198107 T=2.36
main90201-30236iKE35,36,38,5#;KE30..DLX..SA;KE30..ARL,EUR,GEN197408-198107 T=2.39
main90201-30237iKE35,36,38,5#;KE30..DLX..SA;KE30..ARL,EUR,GEN197408-198107 T=2.41-2.43,T=2.42
main90201-30239iKE35,36,38,5#;KE30..DLX..SA;KE30..ARL,EUR,GEN197408-198107 T=2.47-2.49,T=2.48
main90201-30240iKE35,36,38,5#;KE30..DLX..SA;KE30..ARL,EUR,GEN197408-198107 T=2.50-2.52,T=2.51
main90201-30241iKE35,36,38,5#;KE30..DLX..SA;KE30..ARL,EUR,GEN197408-198107 T=2.53-2.55,T=2.54
main90201-30539iKE35,36,38,5#;KE30..DLX..SA;KE30..ARL,EUR,GEN197408-198107 T=2.23-2.25,T=2.24
main90201-30541iKE35,36,38,5#;KE30..DLX..SA;KE30..ARL,EUR,GEN197408-198107 T=2.29-2.31,T=2.30
main90201-30542iKE35,36,38,5#;KE30..DLX..SA;KE30..ARL,EUR,GEN197408-198107 T=2.59-2.61,T=2.60
main90201-30543iKE35,36,38,5#;KE30..DLX..SA;KE30..ARL,EUR,GEN197408-198107 T=2.62-2.64,T=2.63
main90209-33039iTE3#,47,51..DLX,LT,SR,ST,STD197408-198107 T=2.55,T=2.55
main90209-33040iTE3#,47,51..DLX,LT,SR,ST,STD197408-198107 T=2.58,T=2.58
main90209-33044iTE3#,47,51..DLX,LT,SR,ST,STD197408-198107 T=2.70,T=2.70
main90209-33046iTE3#,47,51..DLX,LT,SR,ST,STD197408-198107 T=2.76,T=2.76
41204FLANGE SUB-ASSY, REAR DRIVE PINION COMPANION, REAR
main41204-12020iKE35,36,38,5#;KE30..DLX..SA;KE30..ARL,EUR,GEN197408-198107 41204AWASHER, PLATE (FOR REAR DRIVE PINION)
41204BNUT (FOR REAR DRIVE PINION)
main90179-18060iTE3#,47,51..DLX,LT,SR,ST,STD197703-197801 S=9,6.38 IN
41214SLINGER, REAR DIFFERENTIAL DRIVE PINION OIL
41222PLATE, REAR DIFFERENTIAL RING GEAR SET BOLT LOCK
main41222-12030iKE35,36,38,5#;KE30..EUR,GEN;KE30..DLX..SA197902-198107 41222ABOLT (FOR REAR DIFFERENTIAL RING GEAR SET)
main90101-11365iKE35,36,38,5#;KE30..DLX..SA;KE30..ARL,EUR,GEN197408-198107 main90109-10015iTE3#,47,51..DLX,LT,SR,ST,STD197408-198107 41231SPACER, REAR DIFFERENTIAL DRIVE PINION BEARING
main41231-12020iKE35,36,38,5#;KE30..DLX..SA;KE30..ARL,EUR,GEN197408-198107 41252DEFLECTOR, DUST (FOR REAR DIFFERENTIAL)
41301ABEARING(FOR REAR DIFFERENTIAL CASE)
main90368-34020iKE3#,50,TE47,51..DLX,LT,SR,ST,STD197408-198107 41302CASE SUB-ASSY, REAR DIFFERENTIAL
main41311-12020iKE35,36,50;KE30..DLX..SA;KE30..ARL,EUR,GEN197408-197805 main41311-12021iKE35,36,38,5#;KE30..EUR,GEN;KE30..DLX..SA197805-197902 41315NUT, REAR DIFFERENTIAL BEARING ADJUSTING
main41315-12010iKE35,36,38,5#;KE30..DLX..SA;KE30..ARL,EUR,GEN197408-197902 main41315-20010iTE3#,47,51..DLX,LT,SR,ST,STD197408-198008 41316LOCK, REAR DIFFERENTIAL BEARING ADJUSTING NUT
main41316-12010iKE35,36,38,5#;KE30..DLX..SA;KE30..ARL,EUR,GEN197408-198107 SINGLE TYPE
main41317-12010iKE35,36,38,5#;KE30..DLX..SA;KE30..ARL,EUR,GEN197408-198107 DOUBLE TYPE
41331GEAR, REAR DIFFERENTIAL SIDE
main41331-20010iKE35,36,50;KE30..DLX..SA;KE30..ARL,EUR,GEN197408-197805 N=16
41341PINION, REAR DIFFERENTIAL
main41341-20010iKE35,36,50;KE30..DLX..SA;KE30..ARL,EUR,GEN197408-197805 N=10
main41341-20011iKE35,36,38,5#;KE30..EUR,GEN;KE30..DLX..SA197805-198107 N=10
41342SHAFT, REAR DIFFERENTIAL PINION
41343PIN, REAR DIFFERENTIAL PINION SHAFT
41351WASHER, REAR DIFFERENTIAL PINION THRUST
41361WASHER, REAR DIFFERENTIAL SIDE GEAR THRUST, NO.1
main41361-12020iKE35,36,38,5#;KE30..DLX..SA;KE30..ARL,EUR,GEN197408-198107 T=1.55,T=1.55
main41361-12060iKE35,36,38,5#;KE30..DLX..SA;KE30..ARL,EUR,GEN197408-198107 T=1.75,T=1.75
main41361-12070iTE3#,47,51..DLX,LT,SR,ST,STD197706-198107 T=1.50
main41361-12090iTE3#,47,51..DLX,LT,SR,ST,STD197706-198107 T=1.60
main41361-12110iTE3#,47,51..DLX,LT,SR,ST,STD197706-198107 T=1.70