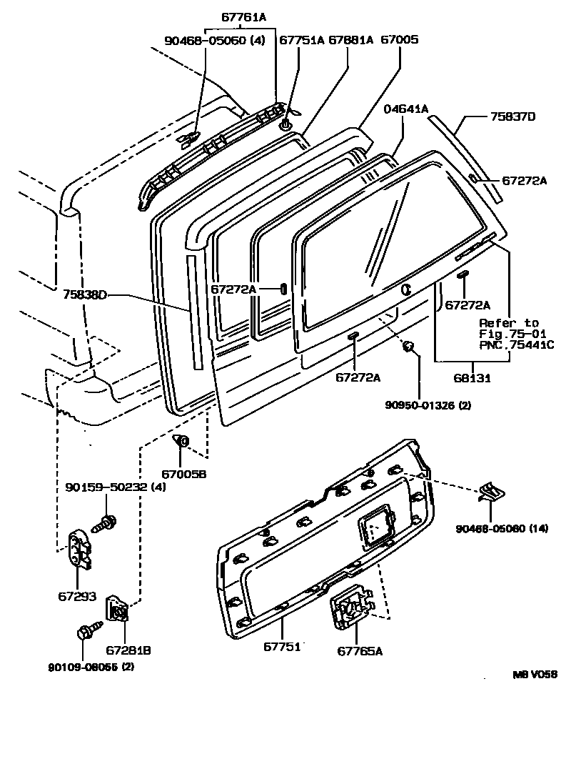
BACK DOOR PANEL & GLASS

04641ADAM KIT, BACK WINDOW GLASS ADHESIVE
67005PANEL SUB-ASSY, BACK DOOR
SWITZERLAND SPEC
67005BCUSHION(FOR BACK DOOR PANEL)
67272ACUSHION, BACK DOOR STOPPER, NO.2
67281BSTOPPER, BACK DOOR, LOWER
RH
LH
67293CUSHION, BACK DOOR LOWER STOPPER
67751BOARD, BACK DOOR TRIM
SHADOW GRAY,TRIM1#
DARK BLUE,TRIM8#
67751ACLIP(FOR BACK DOOR TRIM BOARD)
SHADOW GRAY,TRIM1#
DARK BLUE,TRIM8#
67761ACOVER, BACK DOOR TRIM
SHADOW GRAY,TRIM1#
DARK BLUE,TRIM8#
67765ACOVER, BACK DOOR SERVICE HOLE, NO.1
SHADOW GRAY,TRIM1#
DARK BLUE,TRIM8#
67881AWEATHERSTRIP, BACK DOOR
68131GLASS, BACK DOOR
*EHTT,T=3.5
7501EMBLEM & NAME PLATE (EXTERIOR & INTERIOR)
75837DCOVER, BACK DOOR FINISH, RH
75838DCOVER, BACK DOOR FINISH, LH
9010908055
main90109-08055
9015950232
main90159-50232
9046805060
main90468-05060
9095001326
main90950-01326
19 parts on this diagram · 1 diagram in section