E
EPC Data

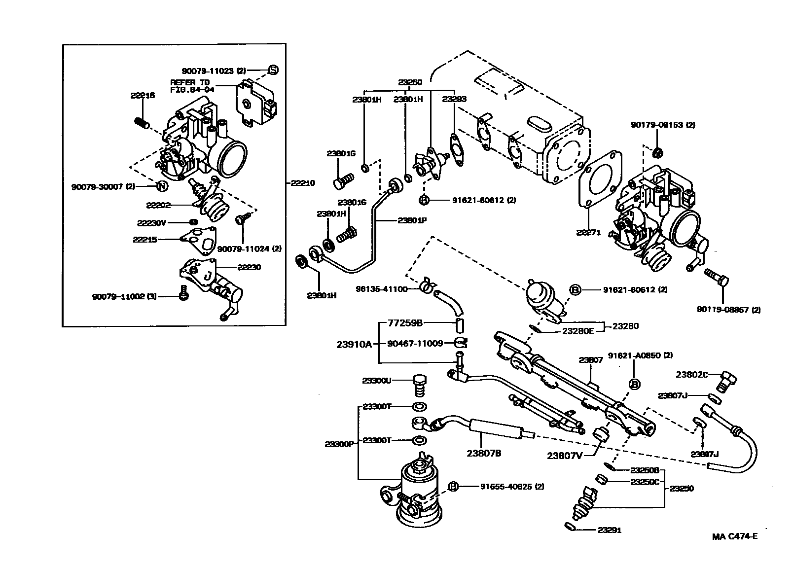
FUEL INJECTION SYSTEM

Parts diagram
22202DASH POT SUB-ASSY
main22202-15020i199009-199508
22210BODY ASSY, THROTTLE
main22210-16270i199009-199508
22215GASKET, THROTTLE BODY COVER
main22215-15011i199009-199508
22216SCREW, DASH POT ADJUSTING
main22216-74010×2i199009-199508
22230VALVE ASSY, AUXILIARY AIR
main22230-16140i199009-199508
22230VRING, O(FOR AUXILIARY AIR VALVE)
main96711-19009i199009-199508
22271GASKET, THROTTLE BODY
main22271-15011i199009-199508
23250INJECTOR ASSY, FUEL
main23209-16120×4i199009-199508
23250BRING, O(FOR FUEL INJECTOR)
main90301-07001×4i199009-199508
23250CGROMMET(FOR FUEL INJECTOR)
main90480-13005×4i199009-199508
23260INJECTOR ASSY, COLD START FUEL
main23260-19106i199009-199508
23280REGULATOR ASSY, FUEL PRESSURE
main23280-16120i199009-199508
23280ERING, O(FOR FUEL PRESSURE REGULATOR)
main90301-07001i199009-199508
23291INSULATOR, INJECTOR VIBRATION
main23291-41010×4i199009-199508
23293GASKET, COLD START INJECTOR
main23293-62020i199009-199508
23300PFILTER, FUEL(FOR EFI)
main23300-19145i199009-199508
23300TGASKET(FOR FUEL FILTER)
main90430-12005×2i199009-199107
main90430-12026×2i199107-199508
23300UBOLT, UNION(FOR FUEL FILTER)
main90401-12097i199009-199508
23801GBOLT, UNION(FOR FUEL PIPE)
main90401-08003×2i199009-199508
23801HGASKET(FOR FUEL PIPE)
main90430-08005×4i199009-199307
main90430-08012×4i199307-199508
23801PPIPE SUB-ASSY, FUEL, NO.1
main23801-16050i199009-199508
23802CBOLT, UNION(FOR FUEL PIPE NO.2)
main90401-12097i199009-199508
23807PIPE SUB-ASSY, FUEL DELIVERY
main23814-16110i199009-199508
23807BHOSE, FUEL DELIVERY PIPE
main23271-15250i199009-199508
23807JGASKET, PIPE FUEL DELIVARY INLET
main90201-12109×2i199106-199109
main90430-12026×2i199109-199508
23807VSPACER, NO.1(FOR DELIVERY PIPE)
main90561-08021×2i199009-199508
23910ATUBE SUB-ASSY, FUEL
main23901-16100i199009-199201
main23901-16101i199201-199508
77259BHOSE, FUEL
main95333-06020i199009-199508
8404ELECTRONIC FUEL INJECTION SYSTEM
9007911002
9007911023
9007911024
9007930007
9011908857
9017908153
9046711009
9162160612
91621A0850
9165540625
9613541100

40 parts on this diagram · 2 diagrams in section

FUEL INJECTION SYSTEM — Toyota Parts Diagram with OEM Numbers & Prices | EPC Data