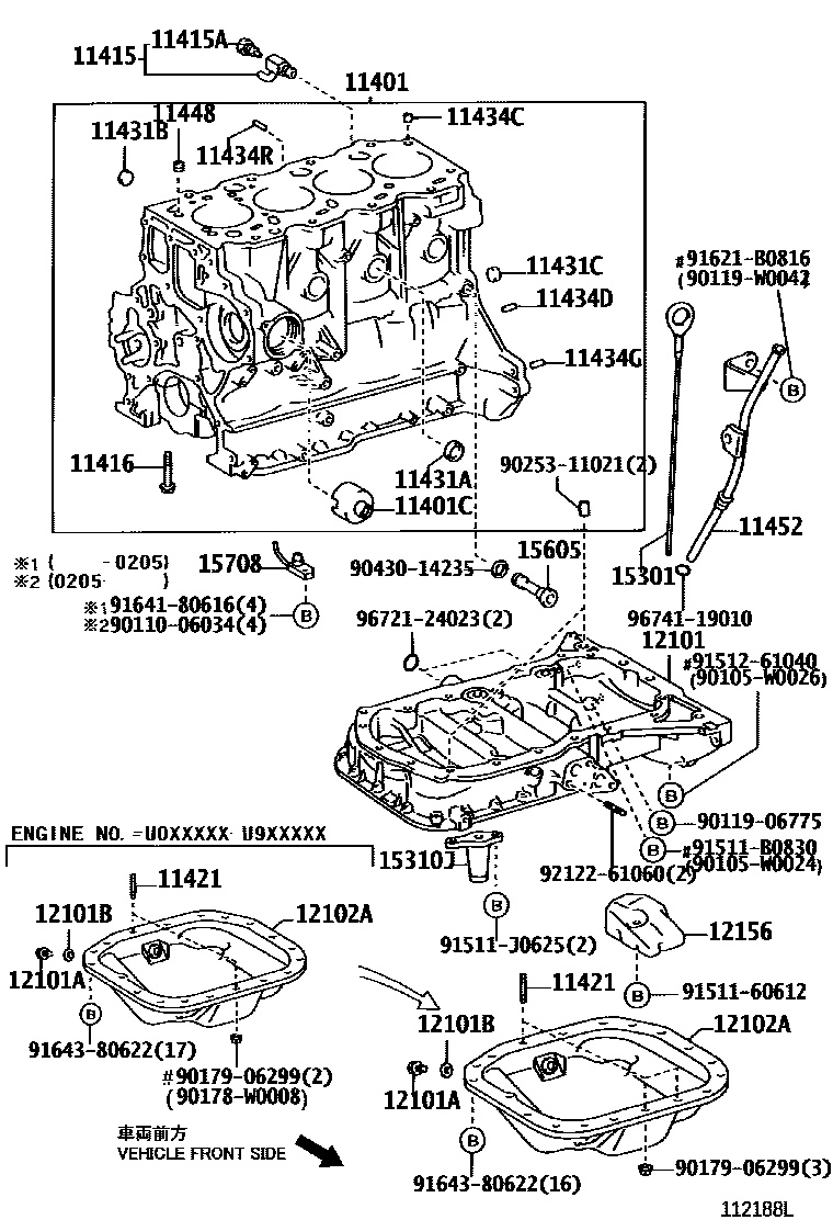
CYLINDER BLOCK

11401BLOCK SUB-ASSY, CYLINDER
sub11401-39716
11415APLUG, WATER DRAIN COCK(FOR CYLINDER BLOCK)
11421BOLT, STUD(FOR OIL PAN)
ENGINE NO.=0XXXXXX-9XXXXXX
11431APLUG, TIGHT, NO.1(FOR CYLINDER BLOCK)
11431BPLUG, TIGHT, NO.2(FOR CYLINDER BLOCK)
11431CPLUG, TIGHT, NO.3(FOR CYLINDER BLOCK)
11434CPIN, STRAIGHT (FOR CYLINDER HEAD SET)
L=18,OD=8
L=20,OD=14
11434DPIN, STRAIGHT(FOR ENGINE REAR OIL SEAL)
L=11,OD=6
11434GPIN, STRAIGHT(FOR END PLATE)
11434RPIN, STRAIGHT(FOR DRIVE SHAFT BEARING BRACKET)
11448ORIFICE, CYLINDER BLOCK OIL
11452GUIDE, OIL LEVEL GAGE
12101PAN SUB-ASSY, OIL
(J)
12101APLUG(FOR OIL PAN DRAIN)
12101BGASKET(FOR OIL PAN DRAIN PLUG)
ENGINE NO.=U0XXXXX-U9XXXXX,(L)
(L)
ENGINE NO.=U0XXXXX-U9XXXXX,(J)
ENGINE NO.=0XXXXXX-9XXXXXX
(J)
12102APAN SUB-ASSY, OIL, NO.2
12156INSULATOR, OIL PAN
ENGINE NO.=U0XXXXX-U9XXXXX,(L)
ENGINE NO.=0XXXXXX-9XXXXXX
ENGINE NO.=U0XXXXX-U9XXXXX,(J)
15301GAGE SUB-ASSY, OIL LEVEL
(L)
(J)
15310JREGULATOR ASSY, OIL
15605VALVE SUB-ASSY, OIL CHECK
15708NOZZLE SUB-ASSY, OIL, NO.1
90105W0024
main90105-W0024
90105W0026
main90105-W0026
9011006034
main90110-06034
9011906775
main90119-06775
90119W0042
main90119-W0042
90178W0008
main90178-W0008
9017906299
main90179-06299
9025311021
main90253-11021
9043014235
main90430-14235
9151160612
main91511-60612
91511B0830
main91511-B0830
91511J0625
main91511-J0625
9151261040
main91512-61040
91621B0816
main91621-B0816
9164180616
main91641-80616
9164380622
main91643-80622
9212261060
main92122-61060
9672124023
main96721-24023
9674119010
main96741-19010
43 parts on this diagram · 5 diagrams in section