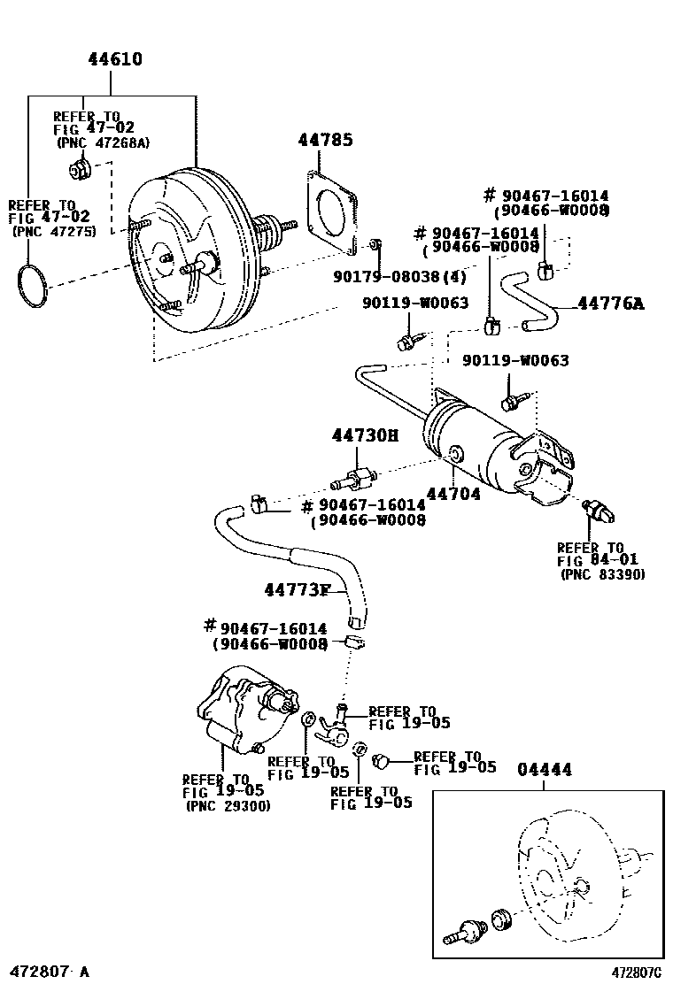
BRAKE BOOSTER & VACUUM TUBE

04444VALVE KIT, BOOSTER CONTROL
1905VACUUM PUMP
44610BOOSTER ASSY, BRAKE
44704RESERVOIR SUB-ASSY, VACUUM
44730HVALVE ASSY, VACUUM CHECK(FOR VACUUM RESERVOIR)
44773HOSE, VACUUM, NO.2
44773FHOSE, UNION TO CHECK VALVE
44776AHOSE, VACUUM RESERVOIR TO BRAKE BOOSTER
44785GASKET, BRAKE BOOSTER
4702BRAKE MASTER CYLINDER
8401SWITCH & RELAY & COMPUTER
90119W0063
main90119-W0063
9017908038
main90179-08038
90466W0008
main90466-W0008
9046716014
main90467-16014
15 parts on this diagram · 12 diagrams in section