E
EPC Data

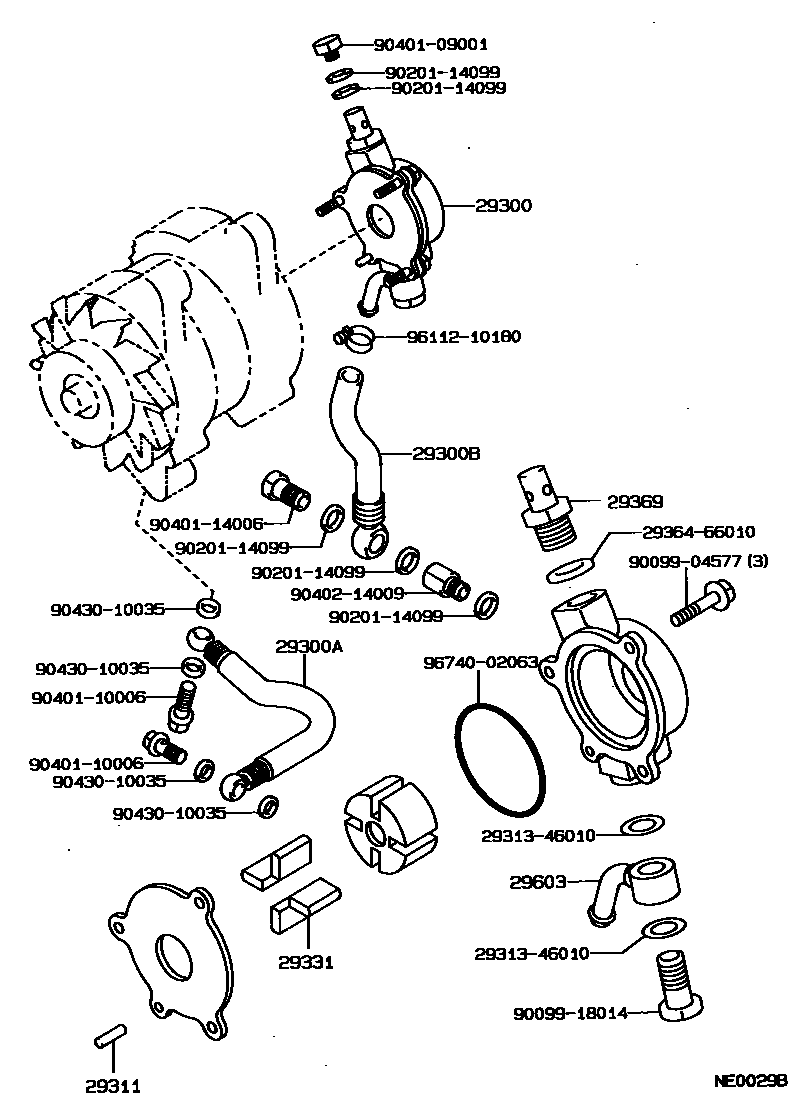
VACUUM PUMP

Parts diagram
29300PUMP ASSY, VACUUM
main29300-64020i198705-198905
main29300-64040i198905-199101
main29300-64041i199101-199206
29300AHOSE, VACUUM PUMP OIL INLET
main90923-02095i198705-198905
main90923-02106i198905-199206
29300BHOSE, VACUUM PUMP OIL OUTLET
main90923-02069i198705-198905
main90923-02104i198905-199206
29311PIN, VACUUM PUMP DOWEL, NO.1
main29311-76010i198705-199206
29331BLADE, VACUUM PUMP, A
main29331-56070×4i198705-199206
29369VALVE SUB-ASSY, CHECK
main29369-56070i198705-199206
29603PIPE, VACUUM PUMP OIL OUTLET
main29365-64020i198705-198905
main29365-64040i198905-199206
2931346010
2936466010WASHER, VACUUM PUMP
9009904577
9009918014
9020114099
9040109001
9040110006
9040114006
9040214009
9043010035
9611210180
9674002063

19 parts on this diagram · 1 diagram in section

VACUUM PUMP — Toyota Parts Diagram with OEM Numbers & Prices | EPC Data