E
EPC Data

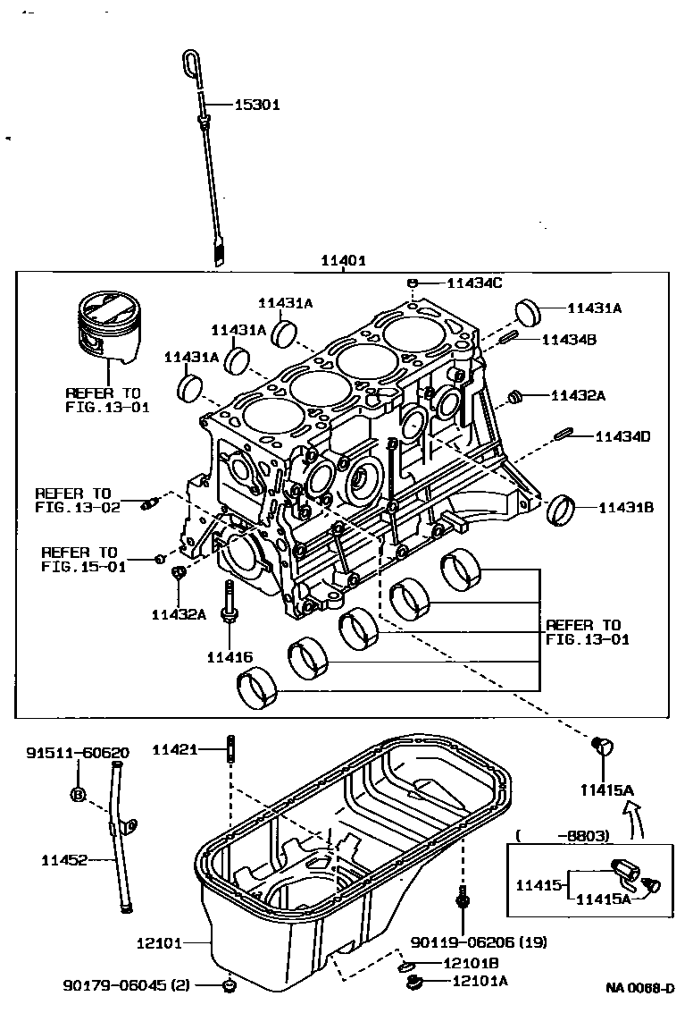
CYLINDER BLOCK

Parts diagram
11401BLOCK SUB-ASSY, CYLINDER
main11401-19415i198708-199101
main11401-19416i199101-199106
main11401-19425i198708-198908
main11401-19475i198908-199101
main11401-19476i199101-199106
11415COCK SUB-ASSY, WATER DRAIN(FOR CYLINDER BLOCK)
main90910-09088i198708-198906
11415APLUG, WATER DRAIN COCK(FOR CYLINDER BLOCK)
main90345-52003i199002-199106
main90345-52013i198803-199005
main90910-09087i198708-198906
11416BOLT(FOR CRANKSHAFT BEARING CAP SET)
main90105-10007i198708-199106
11421BOLT, STUD(FOR OIL PAN)
main90116-06022i198708-199106
11431APLUG, TIGHT, NO.1(FOR CYLINDER BLOCK)
main96411-43500i198708-199106
11431BPLUG, TIGHT, NO.2(FOR CYLINDER BLOCK)
main96411-44000i198708-199106
11432APLUG, W/HEAD TAPER SCREW, NO.1
main90344-53008i198708-199106
11434BPIN, STRAIGHT(FOR CLUTCH HOUSING SET)
main90250-10113i198708-199106
L=22,OD=10
11434CPIN, STRAIGHT (FOR CYLINDER HEAD SET)
main90253-13017i198708-199106
L=12,OD=13
11434DPIN, STRAIGHT(FOR ENGINE REAR OIL SEAL)
main90250-06003i198708-199106
L=14,OD=6
11452GUIDE, OIL LEVEL GAGE
main11452-15020i198708-199106
main11452-16010i198708-198906
main11452-16030i198906-199106
12101PAN SUB-ASSY, OIL
main12101-15070i198708-199106
main12101-16060i198708-199106
main12101-16090i198905-198911
12101APLUG(FOR OIL PAN DRAIN)
main90341-12012i198708-198812
main90341-12026i198812-199106
12101BGASKET(FOR OIL PAN DRAIN PLUG)
main90430-12019i198708-199005
main90430-12027i199004-199106
1301
1302
1501
15301GAGE SUB-ASSY, OIL LEVEL
main15301-15040i198708-198810
main15301-15041i198810-199106
main15301-16040i198708-198711
main15301-16041i198711-198905
main15301-16060i198905-199106
9011906206
9017906045
9151160620

22 parts on this diagram · 2 diagrams in section

CYLINDER BLOCK — Toyota Parts Diagram with OEM Numbers & Prices | EPC Data