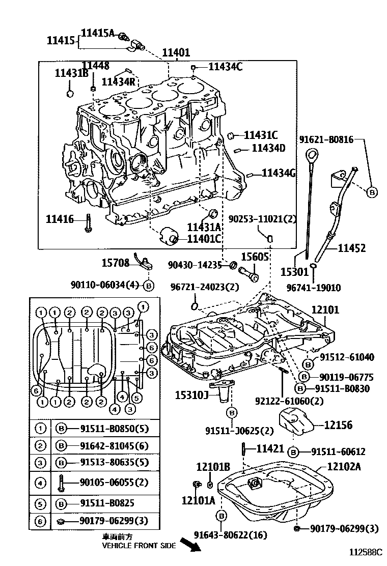
CYLINDER BLOCK

11401BLOCK SUB-ASSY, CYLINDER
sub11401-39716
sub11410-29145
sub11410-29155
11415APLUG, WATER DRAIN COCK(FOR CYLINDER BLOCK)
11421BOLT, STUD(FOR OIL PAN)
11431APLUG, TIGHT, NO.1(FOR CYLINDER BLOCK)
11431BPLUG, TIGHT, NO.2(FOR CYLINDER BLOCK)
11431CPLUG, TIGHT, NO.3(FOR CYLINDER BLOCK)
11434CPIN, STRAIGHT (FOR CYLINDER HEAD SET)
L=18,OD=8
L=20,OD=14
11434DPIN, STRAIGHT(FOR ENGINE REAR OIL SEAL)
L=11,OD=6
11434GPIN, STRAIGHT(FOR END PLATE)
11434RPIN, STRAIGHT(FOR DRIVE SHAFT BEARING BRACKET)
11448ORIFICE, CYLINDER BLOCK OIL
11452GUIDE, OIL LEVEL GAGE
12101PAN SUB-ASSY, OIL
12101APLUG(FOR OIL PAN DRAIN)
12101BGASKET(FOR OIL PAN DRAIN PLUG)
12102APAN SUB-ASSY, OIL, NO.2
12156INSULATOR, OIL PAN
15310JREGULATOR ASSY, OIL
15605VALVE SUB-ASSY, OIL CHECK
15708NOZZLE SUB-ASSY, OIL, NO.1
9010506055
main90105-06055
9011006034
main90110-06034
9011906775
main90119-06775
9017906299
main90179-06299
9025311021
main90253-11021
9043014235
main90430-14235
9151160612
main91511-60612
91511B0825
main91511-B0825
91511B0830
main91511-B0830
91511B0850
main91511-B0850
91511J0625
main91511-J0625
9151261040
main91512-61040
9151380635
main91513-80635
91621B0816
main91621-B0816
9164281045
main91642-81045
9164380622
main91643-80622
9212261060
main92122-61060
9672124023
main96721-24023
9674119010
main96741-19010
43 parts on this diagram · 3 diagrams in section