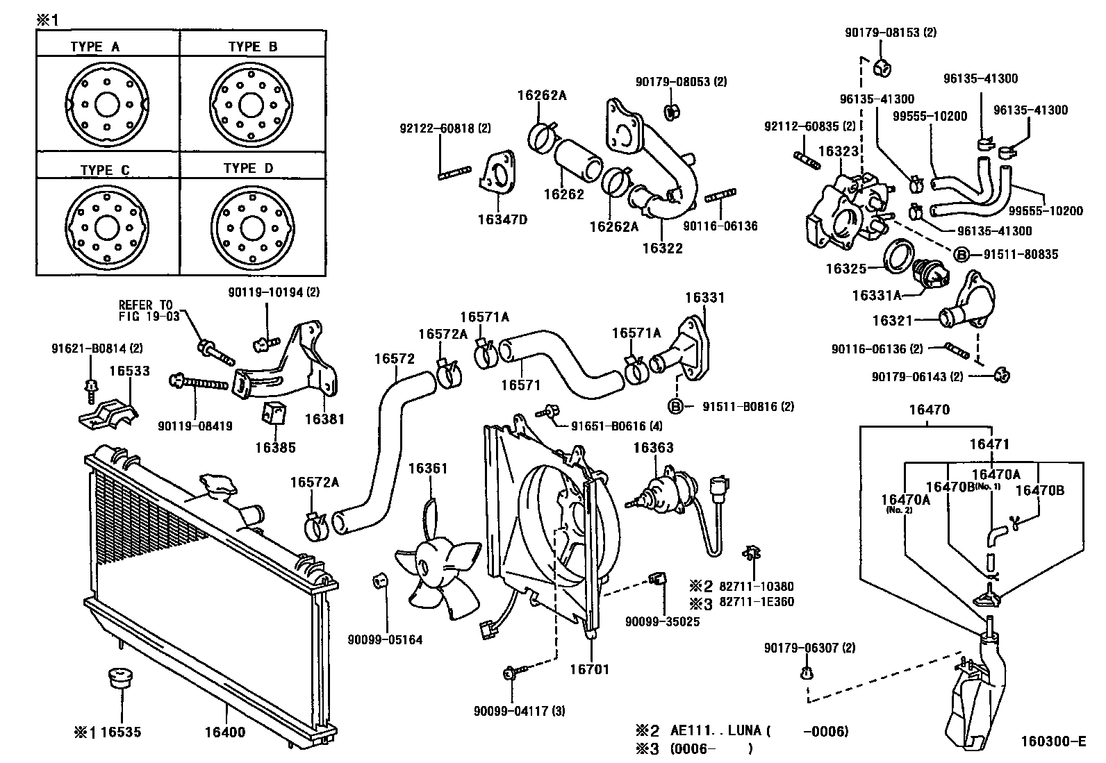
RADIATOR & WATER OUTLET

16321INLET, WATER
16325GASKET, WATER INLET HOUSING, NO.1
16331OUTLET, WATER
16331ATHERMOSTAT
*WAX 82-95
*WAX 82-95
*WAX 82-95
16347DGASKET, WATER BY-PASS
16361FAN
(L)
BLACK
MARK 374
JAPAN EXTERIOR
W(FOG LAMP),(J)
WHITE
(J)
W(FOG LAMP)
MARK 384
16363MOTOR, COOLING FAN
(L)
(J)
W(FOG LAMP)
W(AIR CONDITIONER)
16381BAR, FAN BELT ADJUSTING
16400RADIATOR ASSY
(L)
(L)
MARK 0238
MARK 0D05
MARK 0D06
MARK 0D07
sub16400-16680
W(AIR CONDITIONER)
(J)
MARK 1669
MARK 2208
MARK 2209
MARK 2210
CHINA SPEC,MARK 2210
MARK 5302
sub16400-6A160
W(AIR CONDITIONER)
16470TANK ASSY, RADIATOR RESERVE
16470AHOSE OR PIPE(FOR RADIATOR RESERVE TANK)
NO.2
NO.1
NO.1
L=600(*H,L=250)
NO.2
16470BCLAMP OR CLIP(FOR RADIATOR RESERVE TANK HOSE)
16533SUPPORT, RADIATOR, UPPER
(L)
(J)
16535SUPPORT, RADIATOR, LOWER
TYPE A:REFER TO ILLUSTRATION
TYPE B:REFER TO ILLUSTRATION
TYPE C:REFER TO ILLUSTRATION
TYPE D:REFER TO ILLUSTRATION
16571HOSE, RADIATOR, INLET
(L)
(L)
(J)
(J)
16572HOSE, RADIATOR, OUTLET
(L)
(L)
(J)
(J)
16701SHROUD SUB-ASSY, FAN
(L)
(L)
(L)
(J)
W(AIR CONDITIONER)
JAPAN EXTERIOR
W(FOG LAMP)
W(FOG LAMP),(J)
sub16711-27090
1903
8271110380WIRE, FUSE TO FUSE(FOR COMBUSTION HEATER)
main82711-10380
827111E360WIRE, FUSE TO FUSE(FOR COMBUSTION HEATER)
main82711-1E360
9009904117
main90099-04117
9009905164
main90099-05164
9009935025
main90099-35025
9011606136
main90116-06136
9011908419
main90119-08419
9011910194
main90119-10194
9017906143
main90179-06143
9017906307
main90179-06307
9017908053
main90179-08053
9017908153
main90179-08153
9151180835
main91511-80835
91511B0816
main91511-B0816
91621B0814
main91621-B0814
91651B0616
main91651-B0616
9211260835
main92112-60835
9212260818
main92122-60818
9613541300
main96135-41300
9955510200
main99555-10200
46 parts on this diagram · 12 diagrams in section