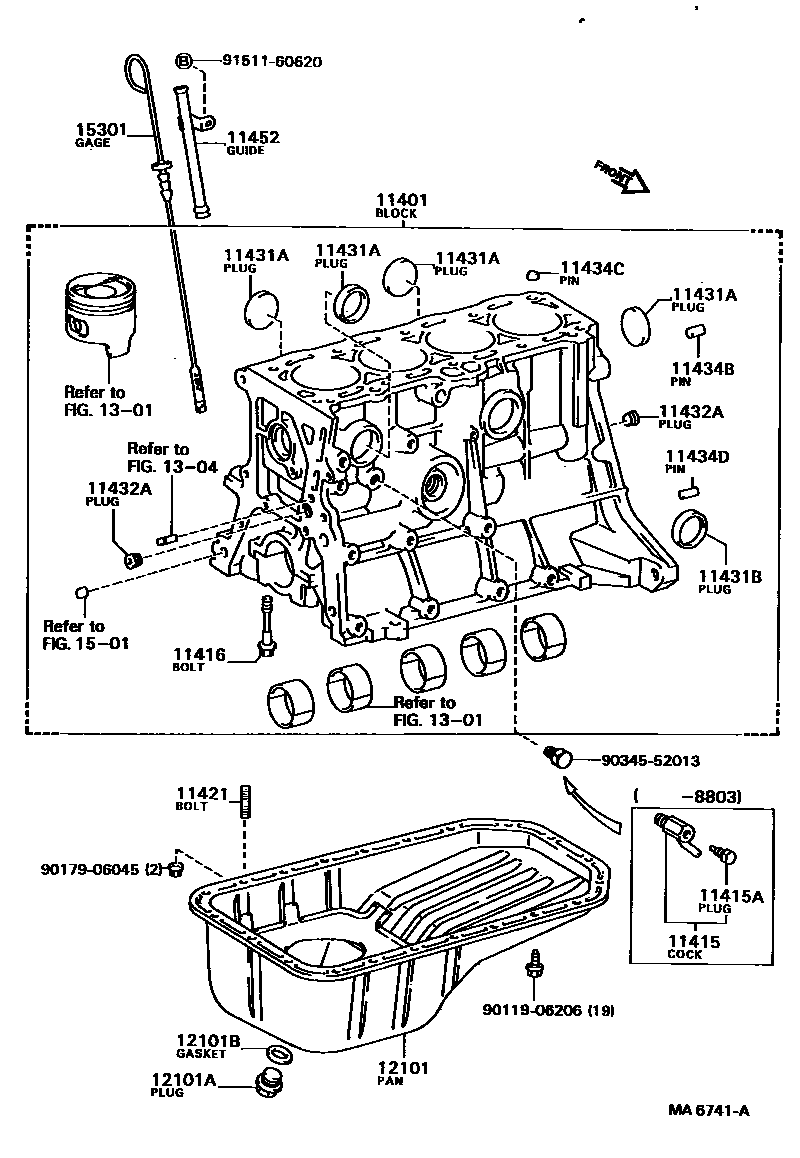
CYLINDER BLOCK

11401BLOCK SUB-ASSY, CYLINDER
sub11401-19176
sub11401-19196
sub11401-19216
sub11401-19236
sub11401-19296
sub11401-19297
sub11401-19299
sub11401-19316
sub11401-19317
sub11401-19319
sub11401-69117
sub11401-69207
11416BOLT(FOR CRANKSHAFT BEARING CAP SET)
*10-1.25PX61-18
*12-1.25PX80-24
11421BOLT, STUD(FOR OIL PAN)
11431APLUG, TIGHT, NO.1(FOR CYLINDER BLOCK)
OD=25
OD=35
11431BPLUG, TIGHT, NO.2(FOR CYLINDER BLOCK)
OD=30
OD=40
11432APLUG, W/HEAD TAPER SCREW, NO.1
11434BPIN, STRAIGHT(FOR CLUTCH HOUSING SET)
L=20,OD=10,L=20,OD=8
L=20,OD=10,L=20,OD=10
L=22,OD=10
L=14,OD=15,L=14,OD=15
L=17,OD=15
11434CPIN, STRAIGHT (FOR CYLINDER HEAD SET)
L=12,OD=13
L=9,OD=14
11434DPIN, STRAIGHT(FOR ENGINE REAR OIL SEAL)
L=14,OD=6
L=11,OD=6
1301
1304
1501
9011906206
main90119-06206
9017906045
main90179-06045
9034552013
main90345-52013
9151160620
main91511-60620
23 parts on this diagram · 5 diagrams in section