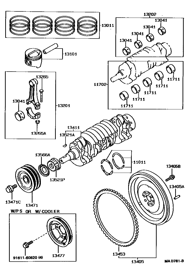
CRANKSHAFT & PISTON

11011WASHER SET, CRANKSHAFT THRUST
STD
O/S 0.125
11702BEARING SET, CRANKSHAFT
U/S 0.25
11711BEARING, CRANKSHAFT
MARK 1
MARK 2
MARK 3
MARK 4
MARK 5
13011RING SET, PISTON
STD
13041BEARING, CONNECTING ROD
MARK 1
MARK 2
MARK 3
13101PISTON SUB-ASSY, W/PIN
STD,MARK 1
STD,MARK 2
STD,MARK 3
STD,MARK 1
STD,MARK 2
STD,MARK 3
13201ROD SUB-ASSY, CONNECTING
13202BEARING SET, CONNECTING ROD
U/S 0.25
13265BOLT, CONNECTING ROD
13265ANUT, HEXAGON(FOR CONNECTING ROD BOLT)
13405FLYWHEEL SUB-ASSY
13405APIN, STRAIGHT(FOR FLYWHEEL)
L=18,OD=8
13405BBOLT, FLYWHEEL SETTING
13411CRANKSHAFT
13453GEAR, FLYWHEEL RING
13471PULLEY, CRANKSHAFT
13471CBOLT(FOR CRANKSHAFT PULLEY SET)
13477PULLEY, CRANKSHAFT, NO.2
13521AKEY(FOR CRANKSHAFT TIMING GEAR)
13521PPULLEY, CRANKSHAFT TIMING
13566AGUIDE, TIMING BELT
9161160820
main91611-60820
22 parts on this diagram · 1 diagram in section