E
EPC Data

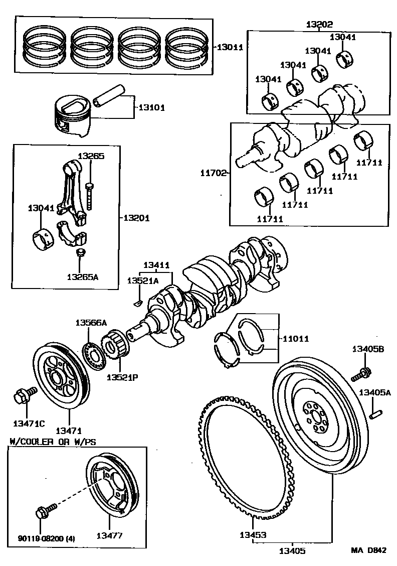
CRANKSHAFT & PISTON

Parts diagram
11011WASHER SET, CRANKSHAFT THRUST
main11011-11010i198808-199009
STD
main11012-11010i198808-199009
O/S 0.125
11702BEARING SET, CRANKSHAFT
main11704-11010i198808-198912
U/S 0.25
main11704-11011i198912-199009
U/S 0.25
11711BEARING, CRANKSHAFT
main11701-11010-01×5i198808-198912
MARK 1
main11701-11010-02×5i198808-198912
MARK 2
main11701-11010-03×5i198808-198912
MARK 3
main11701-11010-04×5i198808-198912
MARK 4
main11701-11010-05×5i198808-198912
MARK 5
main11701-11011-01×5i198912-199009
MARK 1
main11701-11011-02×5i198912-199009
MARK 2
main11701-11011-03×5i198912-199009
MARK 3
main11701-11011-04×5i198912-199009
MARK 4
main11701-11011-05×5i198912-199009
MARK 5
13011RING SET, PISTON
main13011-11090i198808-199009
STD
main13013-11090i198808-199009
O/S 0.50
13041BEARING, CONNECTING ROD
main13041-11010-01×64i198808-199009
MARK 1
main13041-11010-02×64i198808-199009
MARK 2
main13041-11010-03×64i198808-199009
MARK 3
13101PISTON SUB-ASSY, W/PIN
main13101-11080-01×4i198808-198911
STD,MARK 1
main13101-11080-02×4i198808-198911
STD,MARK 2
main13101-11080-03×4i198808-198911
STD,MARK 3
main13101-11081-01×4i198911-199009
STD,MARK 1
main13101-11081-02×4i198911-199009
STD,MARK 2
main13101-11081-03×4i198911-199009
STD,MARK 3
main13103-11080×4i198808-198911
O/S 0.50
main13103-11081×4i198911-199009
O/S 0.50
13201ROD SUB-ASSY, CONNECTING
main13201-19085×4i198808-199001
main13201-19087×4i199004-199009
13202BEARING SET, CONNECTING ROD
main13204-11010i198808-199009
U/S 0.25
13265BOLT, CONNECTING ROD
main13265-10020×8i198808-199004
main13265-10021×8i199004-199009
13265ANUT, HEXAGON(FOR CONNECTING ROD BOLT)
main90179-08014×8i198808-199009
13405FLYWHEEL SUB-ASSY
main13405-11040i198808-198901
main13405-11041i198901-199009
main13405-11050i198808-198901
main13405-11051i198901-199009
13405APIN, STRAIGHT(FOR FLYWHEEL)
main90250-08120×3i198808-199009
L=18,OD=8
13405BBOLT, FLYWHEEL SETTING
main90105-10138×6i198808-199009
13411CRANKSHAFT
main13401-11040i198808-199009
13453GEAR, FLYWHEEL RING
main13453-10030i198808-199009
13471PULLEY, CRANKSHAFT
main13408-11012i198808-199009
13471CBOLT(FOR CRANKSHAFT PULLEY SET)
main90105-12051i198808-199009
13477PULLEY, CRANKSHAFT, NO.2
main44319-16020i198808-199009
13521AKEY(FOR CRANKSHAFT TIMING GEAR)
main90280-05010i198808-198910
main95161-20519i198910-199009
13521PPULLEY, CRANKSHAFT TIMING
main13521-11010i198808-199009
13566AGUIDE, TIMING BELT
main13566-10011i198808-199009
9011908200

22 parts on this diagram · 1 diagram in section

CRANKSHAFT & PISTON — Toyota Parts Diagram with OEM Numbers & Prices | EPC Data