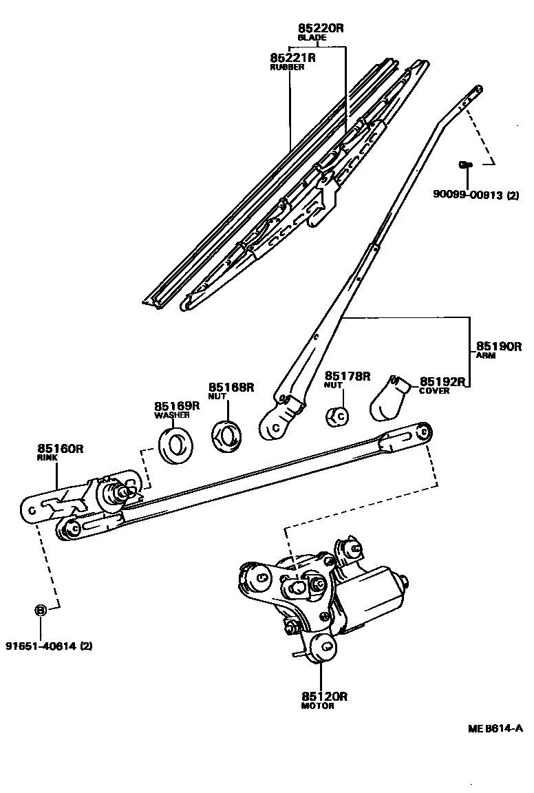
REAR WIPER

85120RMOTOR AND BRACKET ASSY, REAR WIPER
85168RNUT, REAR WIPER LINK PIVOT, NO.1
85169RWASHER, REAR WIPER LINK PIVOT, NO.1
85192RCOVER, REAR WIPER ARM
sub85192-13060
9009900913
main90099-00913
9165140614
main91651-40614
11 parts on this diagram · 2 diagrams in section