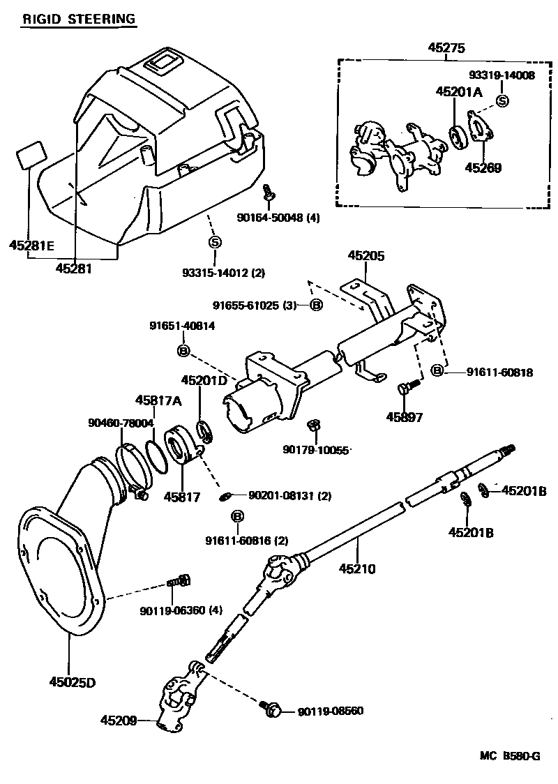
STEERING COLUMN & SHAFT

45025DCOVER SUB-ASSY, STEERING COLUMN HOLE, NO.1
45201ABEARING(FOR STEERING MAIN SHAFT)
45201BRING, SHAFT SNAP(FOR STEERING MAIN SHAFT)
T=1.20,T=1.2
T=1.35-1.45,T=1.4
45201DRING(FOR STEERING MAIN SHAFT)
45205TUBE SUB-ASSY, STEERING COLUMN
LWR,COLLAPSIBLE STEERING
LWR,COLLAPSIBLE STEERING
RIGID STEERING
RIGID STEERING
UPR,COLLAPSIBLE STEERING
UPR,COLLAPSIBLE STEERING
COLLAPSIBLE STEERING
COLLAPSIBLE STEERING
45209YOKE SUB-ASSY, STEERING SLIDING
45210SHAFT ASSY, STEERING MAIN
COLLAPSIBLE STEERING
RIGID STEERING
RIGID STEERING
COLLAPSIBLE STEERING
COLLAPSIBLE STEERING
COLLAPSIBLE STEERING
45269RETAINER, MAIN SHAFT BEARING
45275BRACKET, STEERING COLUMN, UPPER
45281HOUSING, STEERING COLUMN
BLACK,BLACK
BLACK,BLACK
BLACK,BLACK
BLACK,BLACK
45281EPLATE, SAFETY CAUTION
45817STOPPER, STEERING SHAFT THRUST
45817ARING, O(FOR STEERING SHAFT THRUST STOPPER)
45897BOLT, STEERING LOCK SET
9011906360
main90119-06360
9011908560
main90119-08560
9016450048
main90164-50048
9017910055
main90179-10055
9020108131
main90201-08131
9046078004
main90460-78004
9161160816
main91611-60816
9161160818
main91611-60818
9165140814
main91651-40814
9165561025
main91655-61025
9331514012
main93315-14012
9331914008
main93319-14008
26 parts on this diagram · 3 diagrams in section