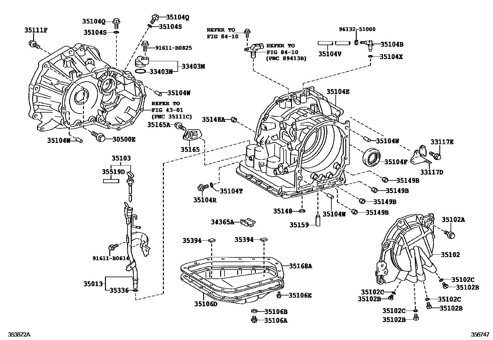
TRANSMISSION CASE & OIL PAN (ATM)

30500EBOLT(FOR TRANSAXLE & ENGINE SETTING)
*12-1.25PX45-30
*10-1.25PX40-30
33117DPROTECTOR, AUTOMATIC TRANSMISSION CASE
33117EBOLT(FOR AUTOMATIC TRANSMISSION CASE PROTECTOR)
33403MCOVER SUB-ASSY, SPEEDOMETER DRIVEN HOLE (ATM)
33403NRING, O (FOR ATM SPEEDOMETER DRIVEN HOLE COVER)
34365ARETAINER, OUTER RACE
35013TUBE SUB-ASSY, TRANSMISSION OIL FILLER
35102COVER SUB-ASSY, TRANSAXLE REAR
35102ABOLT (FOR TRANSAXLE REAR COVER SETTING)
*8-1.25PX25-25
35102BPLUG(FOR TRANSAXLE REAR COVER)
35102CRING, O(FOR TRANSAXLE REAR COVER PULG)
35103GAGE SUB-ASSY, TRANSMISSION OIL LEVEL
35104BPLUG, BREATHER, NO.1 (ATM)
35104ECASE SUB-ASSY, AUTOMATIC TRANSAXLE
35104FSEAL, OIL (FOR TRANSAXLE CASE)
35104QPLUG, NO.1 (FOR TRANSAXLE CASE)
35104RPLUG, NO.2 (FOR TRANSAXLE CASE)
35104SRING, O (FOR TRANSAXLE CASE PLUG NO.1)
35104TRING, O (FOR TRANSAXLE CASE PLUG NO.2)
35104VHOSE (FOR BREATHER PLUG)
35104WPIN, STRAIGHT (FOR TRANSAXLE CASE)
35104XRING, O (FOR BREATHER PLUG)
35106APLUG SUB-ASSY, DRAIN (ATM)
35106BGASKET, DRAIN PLUG (ATM)
35106DPAN SUB-ASSY, AUTOMATIC TRANSAXLE OIL
35106EBOLT (FOR TRANSAXLE OIL PAN)
35111FBOLT (FOR TRANSAXLE HOUSING & TRANSAXLE CASE SETTING)
*8-1.25PX30-25
35148GASKET, GOVERNOR APPLY, NO.1
35148AGASKET, GOVERNOR APPLY, NO.2
35149BGASKET, TRANSAXLE CASE 2ND BRAKE
35159GASKET, BRAKE DRUM
35165PLATE, TRANSMISSION CASE, NO.1
35165ABOLT (FOR TRANSMISSION CASE PLATE NO.1)
35168AGASKET, AUTOMATIC TRANSAXLE OIL PAN
35336RING, O (FOR TRANSMISSION OIL FILLER TUBE)
35394MAGNET, OIL CLEANER (FOR TRANSMISSION)
35519DLABEL, AUTOMATIC TRANSMISSION INFORMATION
4301FRONT AXLE HOUSING & DIFFERENTIAL
8410OVERDRIVE & ELECTRONIC CONTROLLED TRANSMISSION
91611B0614
main91611-B0614
91611B0825
main91611-B0825
9613251000
main96132-51000
42 parts on this diagram · 1 diagram in section