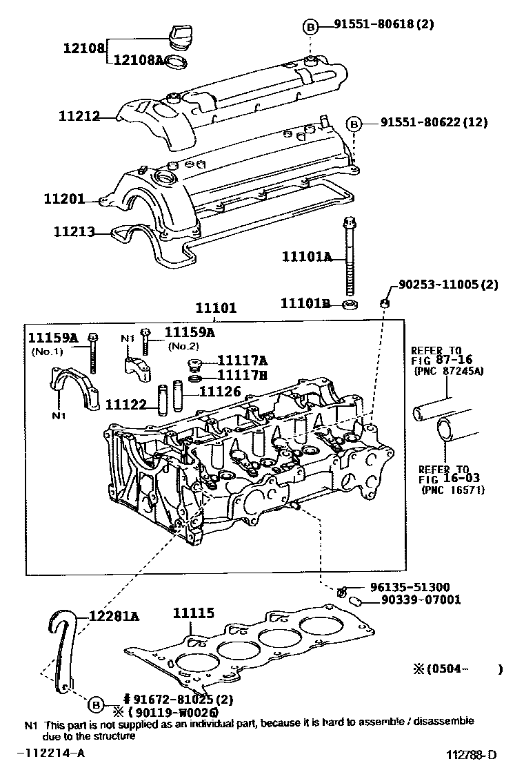
CYLINDER HEAD

11101BWASHER, PLATE(FOR CYLINDER HEAD SET)
11115GASKET, CYLINDER HEAD
T=0.39
T=0.41
T=0.41
MARK C
MARK D
MARK E
11117APLUG, W/HEAD TAPER SCREW, NO.1
11117HGASKET(FOR WATER HOLE)
11122BUSH, INTAKE VALVE GUIDE
STD
O/S 0.05
STD
O/S 0.05
STD
O/S 0.05
11126BUSH, EXHAUST VALVE GUIDE
STD
O/S 0.05
STD
O/S 0.05
STD
O/S 0.05
11159ABOLT(FOR HEAD TO CAMSHAFT BEARING CAP)
NO.1
NO.2
11212COVER, CYLINDER HEAD, NO.2
12108CAP SUB-ASSY, OIL FILLER
(L)
(J)
(J)
12281AHANGER, ENGINE, NO.1
1603
8716
90119W0026
main90119-W0026
9025311005
main90253-11005
9033907001
main90339-07001
9155180618
main91551-80618
9155180622
main91551-80622
9167281025
main91672-81025
9613551300
main96135-51300
24 parts on this diagram · 3 diagrams in section