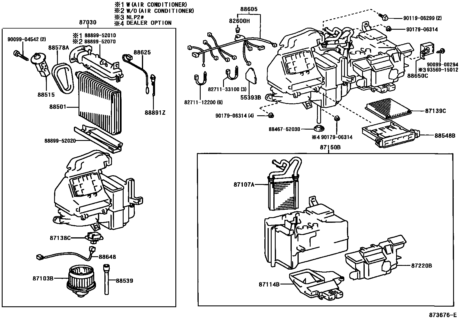
HEATING & AIR CONDITIONING - COOLER UNIT

55393BCUSHION, AIR CONDITIONING COOLER UNIT
82600HFUSE, FUSE BLOCK
7.5A
87030BLOWER ASSY, AIR CONDITIONER
W(AIR CONDITIONER)
W(AIR CONDITIONER)
COLD SPEC & W(AIR CONDITIONER)
COLD SPEC & W(AIR CONDITIONER)
COLD SPEC
COLD SPEC
W(AIR CONDITIONER)
W(AIR CONDITIONER)
W(AIR CONDITIONER)
COLD SPEC & W(AIR CONDITIONER)
COLD SPEC & W(AIR CONDITIONER)
W(AIR CONDITIONER)
W(AIR CONDITIONER)
87103BMOTOR SUB-ASSY, BLOWER W/FAN
COLD SPEC
W(AIR CONDITIONER)
COLD SPEC
W(AIR CONDITIONER)
87107AUNIT SUB-ASSY, HEATER RADIATOR
COLD SPEC
COLD SPEC
87114BCOVER, HEATER
COLD SPEC
87138CRESISTOR, BLOWER
87139CFILTER, CLEAN AIR
87150BRADIATOR ASSY, HEATER
W(AIR CONDITIONER)
W(AIR CONDITIONER)
COLD SPEC
COLD SPEC
COLD SPEC
W(REAR HEATER DUCT)
W(REAR HEATER DUCT)
COLD SPEC
COLD SPEC
87220BDUCT ASSY, AIR
W(BOOST VENTILATOR)
88501EVAPORATOR SUB-ASSY, COOLER, NO.1
DEALER OPTION
DEALER OPTION
MAKER OPTION
88515VALVE, COOLER EXPANSION
DEALER OPTION
88539HOSE, COOLER UNIT DRAIN, NO.1
88548BCASE, AIR FILTER
88578APACKING, COOLER STABILIZER AMPLIFIER
88605HARNESS SUB-ASSY, COOLER WIRING, NO.1
W(BOOST VENTILATOR)
88625THERMISTOR, COOLER, NO.1
DEALER OPTION
MAKER OPTION
MAKER OPTION
88648WIRING, COOLER, NO.1
88650CAMPLIFIER SUB-ASSY, AIRCONDITIONER
W(BOOST VENTILATOR)
W(AIR CONDITIONER)
W(BOOST VENTILATOR)
88891ZBRACKET, COOLER THERMISTOR
8271112200WIRE, FUSE TO FUSE(FOR COMBUSTION HEATER)
main82711-12200
8271133100WIRE, FUSE TO FUSE(FOR COMBUSTION HEATER)
main82711-33100
8846752030CUSHION, COOLER CONDENSER, NO.1
main88467-52030
8889952010COVER, EVAPORATOR
main88899-52010
8889952020COVER, EVAPORATOR
main88899-52020
8889952070COVER, EVAPORATOR
main88899-52070
9009900294
main90099-00294
9009904542
main90099-04542
9011906299
main90119-06299
9017906314
main90179-06314
9356015012
main93560-15012
31 parts on this diagram · 9 diagrams in section