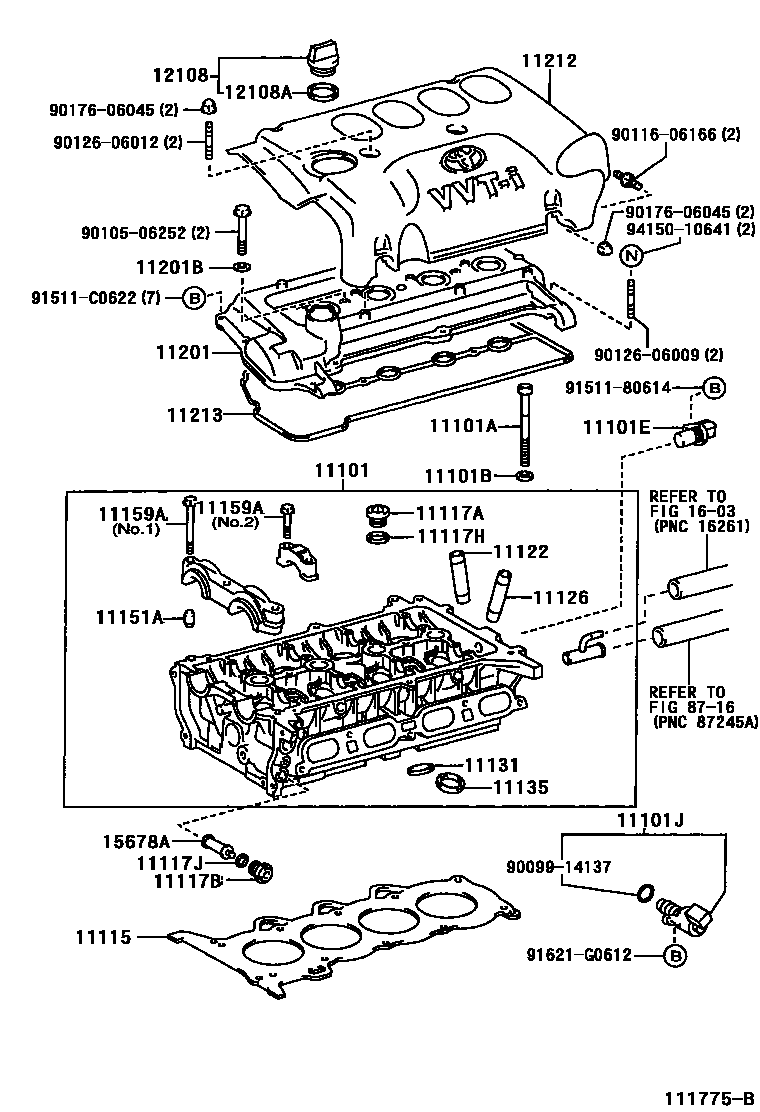
CYLINDER HEAD

11101HEAD SUB-ASSY, CYLINDER
11101ABOLT(FOR CYLINDER HEAD SET)
11101BWASHER, PLATE(FOR CYLINDER HEAD SET)
11101ESENSOR, CAM POSITION
11101JVALVE ASSY, CAMSHAFT TIMING OIL CONTROL
11115GASKET, CYLINDER HEAD
MARK A,MARK A
MARK B,MARK B
MARK C
MARK D,MARK D
MARK E,MARK E
MARK C
MARK D
MARK E
MARK C
MARK D
MARK E
11117APLUG, W/HEAD TAPER SCREW, NO.1
11117BPLUG, W/HEAD TAPER SCREW, NO.2
11117HGASKET(FOR WATER HOLE)
11117JGASKET(FOR CYLINDER HEAD SCREW PLUG)
11122BUSH, INTAKE VALVE GUIDE
STD
O/S 0.05
STD
O/S 0.05
STD
O/S 0.05
11126BUSH, EXHAUST VALVE GUIDE
STD
O/S 0.05
STD
O/S 0.05
STD
O/S 0.05
11131SEAT, INTAKE VALVE
STD
O/S 0.03
11135SEAT, EXHAUST VALVE
STD
STD
O/S 0.03
O/S 0.03
11151APIN, RING(FOR CAMSHAFT BEARING CAP SETTING)
L=14,OD=6
11159ABOLT(FOR HEAD TO CAMSHAFT BEARING CAP)
NO.2
NO.1
NO.2
NO.1
11201COVER SUB-ASSY, CYLINDER HEAD
11201BWASHER, SEAL(FOR CYLINDER HEAD COVER)
11212COVER, CYLINDER HEAD, NO.2
11213GASKET, CYLINDER HEAD COVER
12108CAP SUB-ASSY, OIL FILLER
12108AGASKET(FOR OIL FILLER CAP)
15678AFILTER, OIL CONTROL VALVE
1603RADIATOR & WATER OUTLET
8716HEATING & AIR CONDITIONING - WATER PIPING
9009914137
main90099-14137
9010506252
main90105-06252
9011606166
main90116-06166
9012606009
main90126-06009
9012606012
main90126-06012
9017606045
main90176-06045
9151180614
main91511-80614
91511C0622
main91511-C0622
91621G0612
main91621-G0612
9415010641
main94150-10641
35 parts on this diagram · 3 diagrams in section