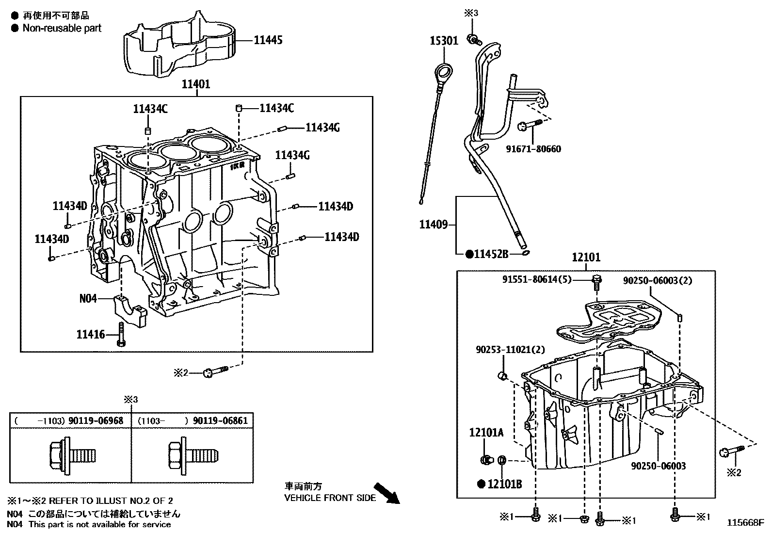
CYLINDER BLOCK

11416BOLT(FOR CRANKSHAFT BEARING CAP SET)
11434CPIN, STRAIGHT (FOR CYLINDER HEAD SET)
L=18,OD=8
L=12,OD=12
11434DPIN, STRAIGHT(FOR ENGINE REAR OIL SEAL)
L=14,OD=6
11434GPIN, STRAIGHT(FOR END PLATE)
11445SPACER, CYLINDER BLOCK WATER JACKET
11452GUIDE, OIL LEVEL GAGE
11452BRING, O(FOR OIL LEVEL GAGE GUIDE)
12101APLUG(FOR OIL PAN DRAIN)
12101BGASKET(FOR OIL PAN DRAIN PLUG)
15301GAGE SUB-ASSY, OIL LEVEL
9011906861
main90119-06861
9011906968
main90119-06968
9025006003
main90250-06003
9025311021
main90253-11021
9155180614
main91551-80614
9167180660
main91671-80660
19 parts on this diagram · 6 diagrams in section